SKFFYTJ45TF轴承详细参数

发布时间:2026-04-14
Y-型轴承带法兰单元, 椭圆形铸造轴承座,平头螺钉锁定, 公制轴承
尺寸 基本负荷额定值 限制速度 质量 型号
动态 静态 轴承单元 轴承座 轴承
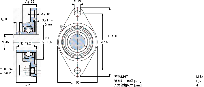
d A1 J L T C C0带轴公差h6
mm kN r/min kg -
453814810852,233,221,643002,1FYTJ 45 TFFYTJ 509YAR 209-2F

SKFFYTJ45TFY-轴承法兰单元供应商

八零动力专业销售FYTJ45TFY-轴承法兰单元,库存SKFFYTJ45TF大量现货,与SKF合作,咨询热线:022-58519723业务咨询
SKFFYTJ45TF出色的性能表现,让这款轴承成为行业内的明星产品,承载未来它的密封性能,完美抵御灰尘和杂质的侵袭 它的耐磨性能,让它在恶劣环境下依然稳定运行 设计合理、性能优良的它,是机械设备实现高效运行的重要保障稳定持久,八零动力SKFY-轴承法兰单元品种全,价格优,质量有保证!

用户关注最多的SKF轴承型号

SKF23096CA/W33* SKF3203A-2RS1 SKF71919ACE/HCP4A SKFBMB-6205/048S2/EA002A SKFBT2B332931 SKFCR370x410x18HDS1R SKFCR400654 SKFCR40X62X8HMSA10V SKFCR8213 SKFCR99299 SKFN1024KTNHA/HC5SP SKFPF1/2WF SKFSAF22624 SKFSAF22624x4.1/4 SKFW61901

FYTJ45TFY-轴承法兰单元近似的SKF轴承型号

SKFFYTB45TF SKFFY45WF SKFPF45FM SKFFYJ45KF SKFFYTB45WF SKFFYTB45FM SKFFY45TF SKFFYTJ45KF SKFFYTJ45TF SKFPF45WF SKFFYTJ45KF SKFFYTJ50KF

用户关注最多的轴承狗热门型号

KOYO  6205ZZ SKF  7219AC/DF FAG  NJ2212-E-TVP2 + HJ212E INA  LFKL32-SF KOYO  7304AC/DF 国产  6203-2Z/Z3 SKF  CR12x26x7CRW1R INA  VSA200544-N FAG  SNV270-L + 22230-E1-K + H3130 + FSV530 NTN  61810 SKF  22215CCK/W33+H315 INA  RWS1808-350/x350/x226 SNR  7004C/DT INA  KWVK42-AL IKO  CRBS1008

版权所有©2009-2015 轴承狗zcgou.com ICP备案:津ICP备14004550号-13