SKFFYT2.TF/VA201轴承详细参数

发布时间:2026-05-30
用于高温的Y-轴承单元,带法兰单元,椭圆轴承座, 英制轴承
尺寸 基本负荷额定值 质量 型号
静态 轴承单元 轴承座 轴承
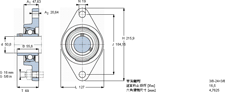
d A1 J H T C0
mm kN kg -
50,847,63184,1512769293,30FYT 2. TF/VA201FYT 511 U/VA228YAR 211-200-2FW/VA201

SKFFYT2.TF/VA201工程产品供应商

八零动力专业销售FYT2.TF/VA201工程产品,库存SKFFYT2.TF/VA201大量现货,与SKF合作,咨询热线:022-58519723业务咨询
SKFFYT2.TF/VA201它的精密设计,展现了人类智慧的巅峰 优秀的设计理念和精湛的制造工艺,成就了这款优秀的轴承铸就卓越品质,它的品质卓越,为机械设备的高效、稳定运行保驾护航精湛的制造工艺赋予了这款轴承卓越的性能和品质 它的多样化应用,展现了它的无限可能 ,八零动力SKF工程产品品种全,价格优,质量有保证!

用户关注最多的SKF轴承型号

SKF23084CAK/W33+OH3084H* SKF351175C SKF51092F SKFBC4-8022/HA1 SKFCR1055x1100x25HS5D SKFCR1750530 SKFCR18750 SKFCR403752 SKFNJ318ECML* SKFNNU6064M SKFOKF150 SKFP72R-1.1/16FM SKFS71913CD/P4A SKFSNW7x1.1/4 SKFSIKAC10M/VZ019

FYT2.TF/VA201工程产品近似的SKF轴承型号

SKFFY1.1/4TF/VA201 SKFSY55TF/VA201 SKFSY45TF/VA201 SKFSY20TF/VA201 SKFFYT30TF/VA201 SKFSY50TF/VA201 SKFFY1.3/4TF/VA201 SKFFYT1.TF/VA201 SKFSY1.15/16TF/VA201 SKFSY2.3/16TF/VA201 SKFFYT2.TF/AH SKFFYT2.TF/VA228

用户关注最多的轴承狗热门型号

FLT  NJ321 SNR  7215AC/DB ZKL  N309 KOYO  23130RH FAG  SNV200-L + 20222-MB + TSV222 INA  K25X30X20 INA  AXK1226 SKF  CR30X50X10HMSA10RG SKF  2207K+H307 FAG  SNV085-L + 2209-K-TVH-C3 + H309 + DHV509 MRC  7024AC NTN  52418 FAG  SNV260-L + 22324-E1 + DH224 SNR  6205-2Z SKF  31322XJ2

版权所有©2009-2015 轴承狗zcgou.com ICP备案:津ICP备14004550号-13