SKFFY45TF/VA201轴承详细参数

发布时间:2026-05-30
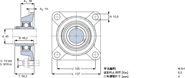
用于高温的Y-轴承单元,带法兰单元,方轴承座, 公制轴承
尺寸 基本负荷额定值 质量 型号
静态 轴承单元 轴承座 轴承
d A1 J L T C0
mm kN kg -
453910513754,221,62,10FY 45 TF/VA201FY 509 U/VA228YAR 209-2FW/VA201

SKFFY45TF/VA201工程产品供应商

八零动力专业销售FY45TF/VA201工程产品,库存SKFFY45TF/VA201大量现货,与SKF合作,咨询热线:022-58519723业务咨询
SKFFY45TF/VA201它在纺织机械中的应用,确保了设备的高速运转 该轴承的性能卓越,完全满足了各种严苛工况的需求这款轴承的运转平稳,几乎听不到任何噪音,令人惊艳它的旋转精度,让高速运转成为现实 顺滑无声它在机床设备中的应用,确保了加工精度 ,八零动力SKF工程产品品种全,价格优,质量有保证!

用户关注最多的SKF轴承型号

SKF24032CC/W33 SKF6203-ZN SKF6414 SKF7015CE/HCP4A SKF71917C/DF SKF7092AM SKFCR160X185X15HMS5V SKFFY45TF SKFGAC90F SKFK20x28x25 SKFN224E SKFNN3036K/SPW33 SKFNUP411 SKFPCM141615M SKFW21

FY45TF/VA201工程产品近似的SKF轴承型号

SKFFYT45TF/VA201 SKFFYT45TF/VA228 SKFFY45TF/VA201 SKFSY45TF/VA228 SKFFY45TF/VA228 SKFSY45TF/VA201 SKFFY45TF SKFFY45TF/VA228

用户关注最多的轴承狗热门型号

KOYO  23048RHA BARDEN  7209AC/DB SKF  PCM909560E SKF  22211E MRC  7340AC SKF  SNL3048TURT LYC  6201 2RS C3 LYC  6205 E-Z/C9 国产  6311/Z3 RHP  QJ200 KOYO  22315RHR LYC  66/750 TN1/YA1/C9P5 LYC  22210/P6 TIMKEN  55176C/55443 IKO  IRT2530

版权所有©2009-2015 轴承狗zcgou.com ICP备案:津ICP备14004550号-13