
SKFFYRP3H-18轴承详细参数
发布时间:2026-04-14
| | | | | | | | | | | |
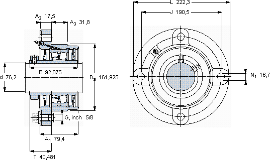
| 带法兰的滚子轴承单元, 锁定套和插口,用于英制的轴, locating units, labyrinth seals | |
 |
| 尺寸 | 尺寸 [英寸] | 限制速度 | 质量 | 型号 | 轴承,基本型号 |
| | 动态 | 静态 | | |
| da | A1 | J | L | T | C | C0 | |
 |
| mm | kN | r/min | kg | - | - |
 |
| 76,2 | 79,4 | 190,5 | 222,3 | 40,481 | 158 | 208 | 3400 | 8,85 | FYRP 3 H-18 | 22215 |
SKFFYRP3H-18法兰滚子轴承单元供应商
- 八零动力专业销售FYRP3H-18法兰滚子轴承单元,库存SKFFYRP3H-18大量现货,与SKF合作,咨询热线:022-58519723

- SKFFYRP3H-18它的精密性,让它在高精度设备中无可替代 轴承的选材精良,确保了其具有良好的耐磨性和抗腐蚀性该轴承的性能出色,有效提升了机械设备的整体性能始终顺滑如初,承载无限可能,质量上乘的轴承,是提升机械设备性能的关键因素,八零动力SKF法兰滚子轴承单元品种全,价格优,质量有保证!
用户关注最多的SKF轴承型号
SKF22260CCK/W33*
SKF30306
SKF7208CD/HCP4A
SKF7215BEP
SKF7308BEGBY
SKFCR28X42X7HMSA10RG
SKFCR412503
SKFCR528269
SKFE2.22209
SKFIR55x63x25
SKFK26x30x22ZW
SKFQJ216N2MA*
SKFRNU205ECP*
SKFS7008ACD/P4A
SKFW619/5