
SKFFYR1.7/16H-3轴承详细参数
发布时间:2026-04-19
| | | | | | | | | | | |
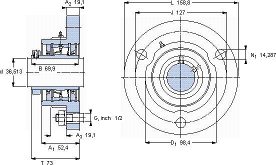
| 带法兰的滚子轴承单元, 锁定套,用于英制的轴, locating units, radial shaft seals | |
 |
| 尺寸 | 尺寸 [英寸] | 限制速度 | 质量 | 型号 | 轴承,基本型号 |
| | 动态 | 静态 | | |
| da | A1 | J | L | T | C | C0 | |
 |
| mm | kN | r/min | kg | - | - |
 |
| 36,513 | 52,4 | 127 | 158,8 | 73 | 73,8 | 81,5 | 2800 | 3,86 | FYR 1.7/16 H-3 | 22208 |
SKFFYR1.7/16H-3法兰滚子轴承单元供应商
- 八零动力专业销售FYR1.7/16H-3法兰滚子轴承单元,库存SKFFYR1.7/16H-3大量现货,与SKF合作,咨询热线:022-58519723

- SKFFYR1.7/16H-3每一次旋转,都是品质的见证,它的微观表面处理,减少了摩擦和磨损 这轴承的选材讲究,坚固耐用,寿命远超同类产品它的几何精度,让机械运转分毫不差 它的抗剪切性能,确保了它的结构稳定性 它的故障率极低,确保了设备的稳定运行 ,八零动力SKF法兰滚子轴承单元品种全,价格优,质量有保证!
用户关注最多的SKF轴承型号
SKF239/500CAK/W33*
SKF248/800CAMA/W20
SKF29340E*
SKF7208ACD/P4A
SKF891/1060M
SKFBS2B247307
SKFCR140X180X12HMSA10RG
SKFCR26358
SKFCR40x58x8CRW1R
SKFCR99423
SKFHME3048
SKFLR20x25x20.5
SKFNK8/12TN
SKFSAF22632x5.1/2
SKFSYR1.7/16H-3