SKFFY2.7/16WF轴承详细参数

发布时间:2026-04-14
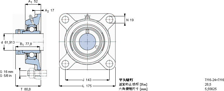
Y-型轴承带法兰单元, 方形铸造轴承座,偏心锁定轴环, 英制轴承
尺寸 基本负荷额定值 限制速度 质量 型号
动态 静态 轴承单元 轴承座 轴承
d A1 J L T C C0带轴公差h6
mm kN r/min kg -
61,9135214317580,852,73634005,05FY 2.7/16 WFFY 512 UYEL 212-207-2F

SKFFY2.7/16WFY-轴承法兰单元供应商

八零动力专业销售FY2.7/16WFY-轴承法兰单元,库存SKFFY2.7/16WF大量现货,与SKF合作,咨询热线:022-58519723业务咨询
SKFFY2.7/16WF高精度与高可靠性的完美结合,成就了这款杰出的轴承质量上乘的轴承,为设备的高效稳定运行奠定了基础精湛的工艺打造出的轴承,精度和稳定性都令人称赞是您成功路上的得力助手,优秀的轴承,就像精密仪器的心脏,确保着整个系统的高效运转它的制造工艺,堪称工业艺术的典范 ,八零动力SKFY-轴承法兰单元品种全,价格优,质量有保证!

用户关注最多的SKF轴承型号

SKF31319 SKF32216J2/Q SKF625/HR22T2 SKF609/710MA SKF6205-2RSLTN9/HC5C3WT SKF71818ACD/HCP4 SKF7307B/DF SKFBT2B334110/HA3 SKFCR12124 SKFCR9835 SKFFYJ1.1/2TF SKFFYT1.15/16RM SKFNN3005/SP SKFTVN306A SKFVJ-PDRJ317

FY2.7/16WFY-轴承法兰单元近似的SKF轴承型号

SKFFY1.1/16FM SKFFY1.3/16TF/AH SKFFY2.3/16FM SKFPFD15/16TF SKFPFT1.1/16TF SKFPF1.1/16WF SKFPFT15/16FM SKFFYM2.3/16TF SKFPF13/16WF SKFFYM2.7/16TF/AH SKFFY2.7/16TF/VA228 SKFFY2.FM

用户关注最多的轴承狗热门型号

ASAHI  UKFU311+H2311 NACHI  NU2320 SKF  NU1040 SKF  SALKB5F NACHI  6318ZNR MRC  6206-2RS SKF  K10x13x10TN SKF  CR593637 国产  NUP308ETN1 SKF  PFD25TR TIMKEN  EE219068/219117 SKF  HMV36E KOYO  29428 RHP  71906AC RHP  71909AC

版权所有©2009-2015 轴承狗zcgou.com ICP备案:津ICP备14004550号-13