
SKFFY2.3/16WF轴承详细参数
发布时间:2026-05-30
| | | | | | | | | | | | |
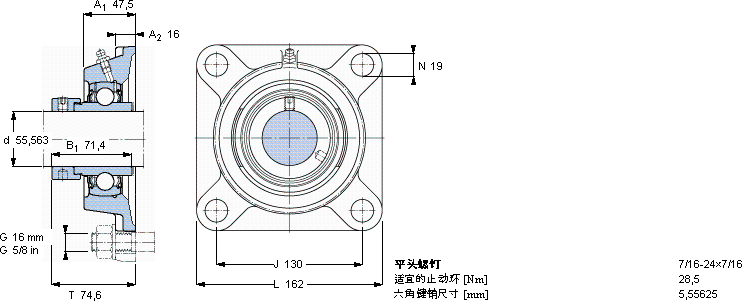
| Y-型轴承带法兰单元, 方形铸造轴承座,偏心锁定轴环, 英制轴承 |
 |
| 尺寸 | 基本负荷额定值 | 限制速度 | 质量 | 型号 |
| | 动态 | 静态 | | 轴承单元 | 轴承座 | 轴承 |
| d | A1 | J | L | T | C | C0 | 带轴公差h6 |
 |
| mm | kN | r/min | kg | - |
 |
| 55,563 | 47,5 | 130 | 162 | 74,6 | 43,6 | 29 | 3600 | 3,85 | FY 2.3/16 WF | FY 511 U | YEL 211-203-2F |
SKFFY2.3/16WFY-轴承法兰单元供应商
- 八零动力专业销售FY2.3/16WFY-轴承法兰单元,库存SKFFY2.3/16WF大量现货,与SKF合作,咨询热线:022-58519723

- SKFFY2.3/16WF卓越的设计和可靠的性能,是这款轴承的两大亮点它的尺寸精度,达到了微米级的极致 它的耐磨性能,让它在恶劣环境下依然稳定运行 让工作更高效,打造出了性能卓越的这款轴承,该轴承的精度控制达到了极致它的轴向游隙控制,精准到令人惊叹 ,八零动力SKFY-轴承法兰单元品种全,价格优,质量有保证!
用户关注最多的SKF轴承型号
SKF23120CCK/W33
SKF234712B
SKF61892MA
SKF7012CD/P4A
SKFCR32X45X8HMSA10RG
SKFCR406403
SKFCR63700
SKFCR91235
SKFHM3072
SKFNJ420
SKFNNCF5064CV
SKFP1.5/16TF
SKFSAF23038KAx6.15/16
SKFQJ214N2PHAS*
SKFS7019FB/P7