SKFPF1.1/16WF轴承详细参数

发布时间:2026-04-15
Y-型轴承带法兰单元, 冲压钢轴承座,偏心锁定轴环
尺寸 基本负荷额定值 可允许住质量 轴承单元 定购代号
动态 静态 房装载轴承 轴承座 轴承
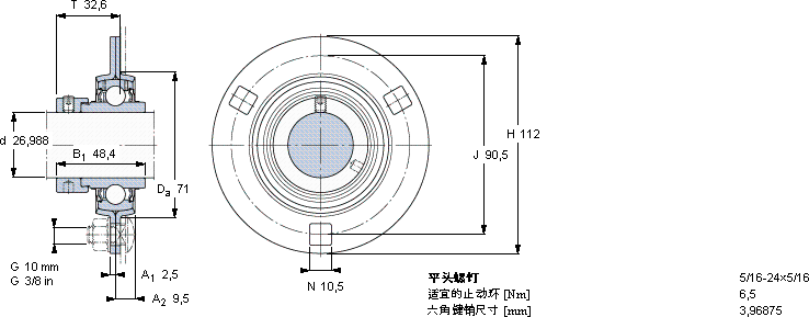
d Da H J T C C0径向单元
mm kN kN kg -
26,9887111290,532,619,511,250,71PF 1.1/16 WFPF 62YEL 206-101-2F

SKFPF1.1/16WFY-轴承法兰单元供应商

八零动力专业销售PF1.1/16WFY-轴承法兰单元,库存SKFPF1.1/16WF大量现货,与SKF合作,咨询热线:022-58519723业务咨询
SKFPF1.1/16WF这轴承的制造工艺精湛,展现出了极高的工业水准设计合理、性能优良的它,是机械设备实现高效运行的重要保障它的润滑技术,减少了润滑剂的使用 没有轴承,现代机械将寸步难行,轴承的耐用性极佳,能够承受高强度的工作负荷它的精密性,让它在高精度设备中无可替代 ,八零动力SKFY-轴承法兰单元品种全,价格优,质量有保证!

用户关注最多的SKF轴承型号

SKF2206EKTN9 SKF71816ACD/HCP4 SKF7236B/DF SKF7308BEGBP* SKFC2224K+H3124L* SKFCR13926 SKFCR40X58X7HMSA10RG SKFCR90799 SKFNJ205ECJ SKFNN3014TN/SP SKFNU321E SKFP1.7/16TF SKFRLS4-2Z SKFRNA4902RS SKFSAF22536x6.1/2

PF1.1/16WFY-轴承法兰单元近似的SKF轴承型号

SKFPFT1.7/16ARM SKFPFD1.7/16ATF SKFFYM1.7/16TF/AH SKFFYT1.5/16WF SKFFYT1.1/16FM SKFFY2.11/16TF SKFPFT1.1/16WF SKFPF1.3/16RM SKFFYTM1.11/16TF/AH SKFFY2.7/16TF SKFPF1.1/16TF SKFPF1.1/2FM

用户关注最多的轴承狗热门型号

KOYO  NJ2322E+HJ2322E FAG  SNV080-L + 2307-TVH + TSV307 INA  TKVD35-ZHST+SVS SKF  HMV47E LYC  24024 C/C4 TIMKEN  H244849D/H244810+H244810EA KOYO  61802 NTN  7215C/DF LYC  010.30.900.12 SKF  23992CAK/W33* STEYR  6213-ZN NTN  7021AC/DF LYC  011.45.1250.12/P5 NSK  7217A5TY NSK  N1017

版权所有©2009-2015 轴承狗zcgou.com ICP备案:津ICP备14004550号-13