
SKFFY1.1/4TF轴承详细参数
发布时间:2026-04-15
| | | | | | | | | | | | |
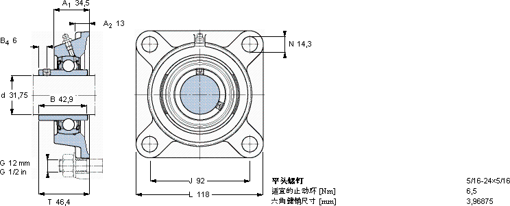
| Y-型轴承带法兰单元, 方形铸造轴承座,平头螺钉锁定, 英制轴承 |
 |
| 尺寸 | 基本负荷额定值 | 限制速度 | 质量 | 型号 |
| | 动态 | 静态 | | 轴承单元 | 轴承座 | 轴承 |
| d | A1 | J | L | T | C | C0 | 带轴公差h6 |
 |
| mm | kN | r/min | kg | - |
 |
| 31,75 | 34,5 | 92 | 118 | 46,4 | 25,5 | 15,3 | 5300 | 1,45 | FY 1.1/4 TF | FY 507 U | YAR 207-104-2F |
SKFFY1.1/4TFY-轴承法兰单元供应商
- 八零动力专业销售FY1.1/4TFY-轴承法兰单元,库存SKFFY1.1/4TF大量现货,与SKF合作,咨询热线:022-58519723

- SKFFY1.1/4TF它的耐用性,赢得了无数用户的信赖 它的热处理工艺,增强了它的硬度和韧性 它在包装机械中的应用,确保了设备的高效率 让您的设备高效运行,高品质的轴承,在复杂工况下也能展现出卓越的性能稳定旋转的核心力量,八零动力SKFY-轴承法兰单元品种全,价格优,质量有保证!
用户关注最多的SKF轴承型号
SKF23176CAK/W33+OH3176H*
SKF32215T80J2/QDB
SKF7006ACE/HCP4A
SKFCR11514
SKFBL206ZZ
SKFCR13602
SKFCR2025250
SKFCR24X35X7HMS5RG
SKFCR55X78X10HMSA10RG
SKFMB10C
SKFMS30/710
SKFPCM141620E
SKFS71910FB/P7
SKFSAF1510
SKFW618/5