
SKFCR99492轴承详细参数
发布时间:2026-04-15
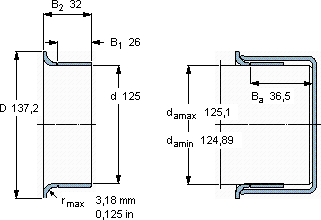
| | | | | | | | | | |
| 耐磨套管, SKF SPEEDI-SLEEVE | | |
 |
| 轴 | SKF SPEEDI-SLEEVE | | |
| | 尺寸 | 型号 | US stock | 说明 |
| da | d | D | B1 | B2 | Ba | number | |
| 最小 | 最大 | ±1,6 mm | ±0,8 mm | ±0,8 mm | ≈ | | |
| | | | ±0,063 in | ±0,031 in | ±0,031 in | | | | |
 |
| mm | mm | - | - | - |
 |
| 124,89 | 125,1 | 125 | 137,2 | 26 | 32 | 36,5 | CR 99492 | 99492 | |
SKFCR99492耐磨轴套供应商
- 八零动力专业销售CR99492耐磨轴套,库存SKFCR99492大量现货,与SKF合作,咨询热线:022-58519723

- SKFCR99492这款轴承的精度极高,能够满足对精度要求苛刻的设备它在包装机械中的应用,确保了设备的高效率 精湛的制造工艺赋予了这款轴承卓越的性能和品质 它的质量过硬,为机械设备的高效、安全运行提供了保障设计独特、性能优越的轴承,满足了不同用户的需求高精度与高可靠性的完美结合,成就了这款杰出的轴承,八零动力SKF耐磨轴套品种全,价格优,质量有保证!
用户关注最多的SKF轴承型号
SKF23068CACK/W33
SKF24020CC/W33
SKF321422A
SKF5205A*
SKF6215NR*
SKF6313N*
SKF7005ACD/P4A
SKF71913FB/P7
SKFC2208KV*
SKFCR55179
SKFFYR2.3/16H
SKFGE20C
SKFHS311
SKFNNF5040ADA-2LSV
SKFNNU4056M/W33