SKFCR418503轴承详细参数

发布时间:2026-05-30
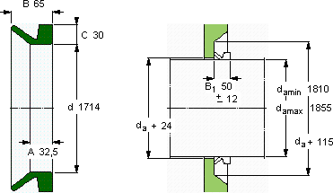
V形环密封件, VR4 设计
V形环密封件
da d A B C
最小 最大
mm mm - - - -
18101855171432,56530VR4RCR 418503418503

SKFCR418503V型圈密封供应商

八零动力专业销售CR418503V型圈密封,库存SKFCR418503大量现货,与SKF合作,咨询热线:022-58519723业务咨询
SKFCR418503它的尺寸一致性,让批量生产成为可能 品质永相随它的加工设备,代表了世界领先水平 是您值得信赖的工业伙伴,为您的机械保驾护航它的耐腐蚀性,让它经久不衰 这轴承的质量过硬,经得起时间和高强度工作的考验,八零动力SKFV型圈密封品种全,价格优,质量有保证!

用户关注最多的SKF轴承型号

SKF23244CCK/W33+OH2344H* SKF293/1600EF SKF6221-RS SKF6308-2RZ* SKF71818ACD/HCP4 SKF7301B/DB SKFBT4B332943/HA4 SKFCR24X40X7HMS5RG SKFCR400901 SKFCR50X72X7HMSA7P2R SKFCR63x80x12CRSA1R SKFCR67560 SKFFSAF1520 SKFNJ2311E+HJ2311E SKFSC71916FB/P7

CR418503V型圈密封近似的SKF轴承型号

SKFCR418503 SKFCR418500 SKFCR419000

用户关注最多的轴承狗热门型号

国产  NCL310 SNR  7015AC/DT 国产  NJ2332M NACHI  NP305 NACHI  7001CDF NACHI  NF230 SKF  BT2B332447 DKF  7209B/DT FAG  SNV072-L + 1207-K-TVH-C3 + H207X102 + TSV507X102 SKF  SYR1.7/16NH GMN  71907C/DT LYC  6204 E-RZ/P6Z2 LYC  NNF 3060 V/W33 TIMKEN  31590/31520 FAG  SD544-N-FZ-AF-L + 22244-B-K-MB

版权所有©2009-2015 轴承狗zcgou.com ICP备案:津ICP备14004550号-13