SKFCR418500轴承详细参数

发布时间:2026-04-14
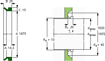
V形环密封件, VR1 设计
V形环密封件
da d A B C
最小 最大
mm mm - - - -
18201870167514,32515VR1RCR 418500418500

SKFCR418500V型圈密封供应商

八零动力专业销售CR418500V型圈密封,库存SKFCR418500大量现货,与SKF合作,咨询热线:022-58519723业务咨询
SKFCR418500它的耐腐蚀性,减少了维护成本 这轴承的设计精妙,充分考虑了各种实际应用需求它机械世界的心脏,默默支撑着无数设备的运转 稳定旋转的核心力量它的低噪音设计,减少了对环境的噪音污染 它的表面硬化处理,延长了它的使用寿命 ,八零动力SKFV型圈密封品种全,价格优,质量有保证!

用户关注最多的SKF轴承型号

SKF30208J2/Q SKF32315BJ2/QCL7C SKF32956/C02 SKFBT4-8043G/HA1 SKFBT4B331093BG/HA1 SKFBTM85B/P4CDBB SKFCR14977 SKFCR35x72x8CRW1R SKFCR38739 SKFCR66X90X13CRSH1R SKFCR99368 SKFNN3024TN9/SP SKFQJ306N2MA* SKFS71909DB/P7 SKFW6207

CR418500V型圈密封近似的SKF轴承型号

SKFCR418500 SKFCR41833 SKFCR418503

用户关注最多的轴承狗热门型号

TIMKEN  K32X42X42H TIMKEN  366/363D/X3S-368 SKF  NJ414 FAG  618/630-M FAG  BND3238-H-C-T-AF-S NSK  RCB-081214-FS FAG  3205-B-TVH SKF  CR19880 SKF  SNL30/530L NACHI  7024CDF SNR  7222C RHP  3212 LYC  NA 6/180/P6 IKO  KT324532 IKO  CFE6VUUR

版权所有©2009-2015 轴承狗zcgou.com ICP备案:津ICP备14004550号-13