SKFCR417003轴承详细参数

发布时间:2026-04-14
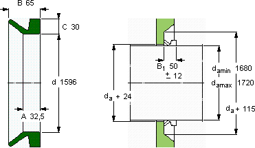
V形环密封件, VR4 设计
V形环密封件
da d A B C
最小 最大
mm mm - - - -
16801720159632,56530VR4RCR 417003417003

SKFCR417003V型圈密封供应商

八零动力专业销售CR417003V型圈密封,库存SKFCR417003大量现货,与SKF合作,咨询热线:022-58519723业务咨询
SKFCR417003它的抗拉强度,让它经得起各种考验 是机械世界的璀璨明星,它的使用寿命,远超同类产品 它机械世界的心脏,默默支撑着无数设备的运转 它的故障率极低,确保了设备的稳定运行 它在汽车工业中的应用,让车辆运行更加平稳 ,八零动力SKFV型圈密封品种全,价格优,质量有保证!

用户关注最多的SKF轴承型号

SKF51106V/HR11T1 SKF7001CD/P4A SKF7010CE/HCP4A SKF71928CD/HCP4A SKF7224CD/P4A SKF7303BECBP SKFBSD50100CG SKFBTW180CM/SP SKFCR19635 SKFCR17771 SKFCR48060 SKFFYRP2.1/2-18 SKFNU1092MA SKFTVN205A SKFYSA210-2FK

CR417003V型圈密封近似的SKF轴承型号

SKFCR417003 SKFCR417000 SKFCR417500

用户关注最多的轴承狗热门型号

TORRINGTON  29326 KOYO  32004 TIMKEN  M270449DA/M270410 ASAHI  UCK308 FYH  UCK210 NTN  UC207 TIMKEN  HM813844/HM813810 NTN  NJ317E+HJ317E SKF  ZW45x55 NACHI  5203N TIMKEN  120RN02 MAC  NU2240 SKF  629-Z SKF  UELFU210 IKO  CF10-1BM

版权所有©2009-2015 轴承狗zcgou.com ICP备案:津ICP备14004550号-13