SKFCR417000轴承详细参数

发布时间:2026-05-30
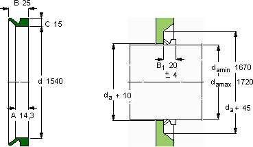
V形环密封件, VR1 设计
V形环密封件
da d A B C
最小 最大
mm mm - - - -
16701720154014,32515VR1RCR 417000417000

SKFCR417000V型圈密封供应商

八零动力专业销售CR417000V型圈密封,库存SKFCR417000大量现货,与SKF合作,咨询热线:022-58519723业务咨询
SKFCR417000就是选择高效与可靠轴承的耐用性极佳,为设备的长期稳定运行提供了保障它在轨道交通中的应用,确保了列车的安全运行 它的使用寿命,远超同类产品 这轴承的选材讲究,坚固耐用,寿命远超同类产品它的低摩擦设计,减少了能量损耗 ,八零动力SKFV型圈密封品种全,价格优,质量有保证!

用户关注最多的SKF轴承型号

SKF23136-2CS5K/VT143* SKF24076CCK30/W33+AOH24076* SKF32221J2 SKF6308-2Z* SKF7024AC/DT SKFBT4B334051G/HA1VA901 SKFCR39423 SKFHA210 SKFK4x7x10TN SKFNJ406MA SKFPCMW264401.5M SKFPCZ1612B SKFS71924DB/P7 SKFSIKAC10M/VZ019 SKFTU50TF

CR417000V型圈密封近似的SKF轴承型号

SKFCR417000 SKFCR416503 SKFCR417003

用户关注最多的轴承狗热门型号

FAG  HS71904-E-T-P4S SNR  30213 MRC  7209AC/DB FAG  KUG62 KOYO  47T604727A SKF  NU2315E INA  APLE25-OE SKF  SAF23048KAx8.15/16 TORRINGTON  22213CCK/W33+H313 SKF  71901CD/P4A 国产  HK/3*6*6 NTN  NU314E NACHI  NNU4921 RHP  7208C/DT IKO  BWU25-60

版权所有©2009-2015 轴承狗zcgou.com ICP备案:津ICP备14004550号-13