SKFCR415503轴承详细参数

发布时间:2026-05-29
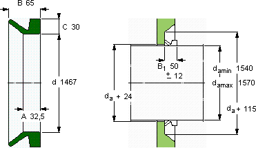
V形环密封件, VR4 设计
V形环密封件
da d A B C
最小 最大
mm mm - - - -
15401570146732,56530VR4RCR 415503415503

SKFCR415503V型圈密封供应商

八零动力专业销售CR415503V型圈密封,库存SKFCR415503大量现货,与SKF合作,咨询热线:022-58519723业务咨询
SKFCR415503它的加工设备,代表了世界领先水平 它在包装机械中的应用,确保了设备的高效率 其质量上乘,是众多机械设备不可或缺的优质配件匠心制造它的精准度,让机械运转分毫不差 为您的机械提供持久动力,,八零动力SKFV型圈密封品种全,价格优,质量有保证!

用户关注最多的SKF轴承型号

SKF319165A SKF591/750F SKF6026* SKF6206-RS SKF6301/HR11QN SKFC3036K/HA3C4* SKFCR650x710x25HDS2R SKFFY12TF SKFNJ410+HJ410 SKFNNF5014ADA-2LSV SKFNUP406 SKFPWKR90.2RS SKFS71915FB/P7 SKFSAW23518x3.1/4 SKFSNL3092GF

CR415503V型圈密封近似的SKF轴承型号

SKFCR415503 SKFCR41287 SKFCR416000

用户关注最多的轴承狗热门型号

LYC  240/600 CA/C3W33 FAG  SNV120-L + 20311-K-TVP-C3 + H311 + DHV611 GMN  71913C/DT NTN  4T-32307C 国产  3510/710X2 KOYO  24156RRK30+AH24156 TIMKEN  365-S/362-B 国产  6306-NR LYC  N 414 M KOYO  NU422 KOYO  24144RRK30+AH24144 NSK  10BGR10S RHP  7228AC SKF  QJ312N2MA IKO  CF16UUR

版权所有©2009-2015 轴承狗zcgou.com ICP备案:津ICP备14004550号-13