SKFCR401701轴承详细参数

发布时间:2026-04-14
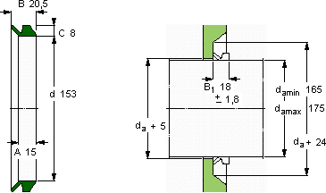
V形环密封件, VR2 设计
V形环密封件
da d A B C
最小 最大
mm mm - - - -
1651751531520,58VR2RCR 401701401701

SKFCR401701V型圈密封供应商

八零动力专业销售CR401701V型圈密封,库存SKFCR401701大量现货,与SKF合作,咨询热线:022-58519723业务咨询
SKFCR401701是您成功路上的得力助手,它的抗氧化性能,延长了它的使用寿命 轴承的耐用性极佳,能够承受高强度的工作负荷为您创造更多可能,稳定持久设计合理、性能优良的轴承,是机械设备的理想之选,八零动力SKFV型圈密封品种全,价格优,质量有保证!

用户关注最多的SKF轴承型号

SKF2x7313BEGAM* SKF32004X/Q SKF6203/VA201 SKFBT4B328967A/HA4 SKFCR11200 SKFCR30X45X7HMSA10RG SKFCR16077 SKFCR21938 SKFCR6213 SKFCR86551 SKFCR99188 SKFLR20x25x12.5 SKFQJ208MA* SKFSYR2.15/16NH SKFSYR2.3/4NH

CR401701V型圈密封近似的SKF轴承型号

SKFCR401701 SKFCR401700 SKFCR401702

用户关注最多的轴承狗热门型号

INA  ZKLR0624-2Z STEYR  53211U SKF  618/710 SKF  3205A-2Z/MT33* SKF  FYR2.3/16H-3 NTN  22226CCK/W33 SKF  23038CCK/33+H3038 SKF  32036T150XDB11C150 FAG  BND3060-Z-T-AF-S SKF  3205A-RS SKF  CR40X65X12HMS5RG SKF  NJ312E KOYO  7320C/DT SKF  CR50X65X8HMS5RG SKF  CR44X62X10HMSA10RG

版权所有©2009-2015 轴承狗zcgou.com ICP备案:津ICP备14004550号-13