SKFCR410603轴承详细参数

发布时间:2026-05-30
V形环密封件, VR4 设计
V形环密封件
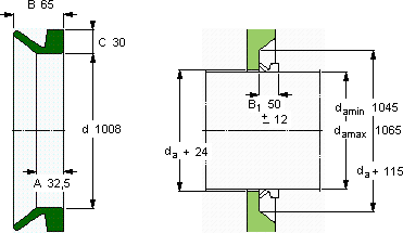
da d A B C
最小 最大
mm mm - - - -
10451065100832,56530VR4RCR 410603410603

SKFCR410603V型圈密封供应商

八零动力专业销售CR410603V型圈密封,库存SKFCR410603大量现货,与SKF合作,咨询热线:022-58519723业务咨询
SKFCR410603先进的生产工艺,打造出了这款性能卓越的轴承它的使用寿命,远超同类产品 精准承载它的抗磨损涂层,让它更加耐用 转动不停歇它的每一次转动,都是对精准度的极致追求 ,八零动力SKFV型圈密封品种全,价格优,质量有保证!

用户关注最多的SKF轴承型号

SKF22336CCJA/W33VA406* SKF3210ATN9 SKF71804ACD/P4 SKF71814CD/P4A SKFBSD2562CG SKFC3236* SKFC4122V* SKFCR1200239 SKFCR531635 SKFMS30/900-850 SKFNUP2307ECP* SKFPCZ1416B SKFSNW116x2.5/8 SKFSYE2.7/16 SKFYAR210-2RF

CR410603V型圈密封近似的SKF轴承型号

SKFCR410603 SKFCR410503 SKFCR410x450x20HDS2R

用户关注最多的轴承狗热门型号

NSK  NF252M FAG  SNV100-L + 1309-K-TVH-C3 + H309X108 + TSV609X108 SNR  7020AC GMN  7216AC SKF  CR51253 国产  6002-RS/Z2 NACHI  239/850EW33K TIMKEN  HH814547/HH814510 SKF  YAR211-2FW/VA228 TIMKEN  23052YMB FAG  7305-B-TVP LYC  7018 AC/P4 FLT  NU421 国产  3306A-2ZTN1 IKO  ML20

版权所有©2009-2015 轴承狗zcgou.com ICP备案:津ICP备14004550号-13