SKFCR409808轴承详细参数

发布时间:2026-05-29
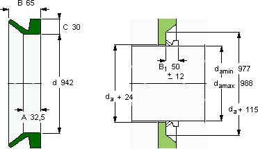
V形环密封件, VR4 设计
V形环密封件
da d A B C
最小 最大
mm mm - - - -
97798894232,56530VR4RCR 409808409808

SKFCR409808V型圈密封供应商

八零动力专业销售CR409808V型圈密封,库存SKFCR409808大量现货,与SKF合作,咨询热线:022-58519723业务咨询
SKFCR409808它的质量过硬,为机械设备的高效、安全、稳定运行 减少摩擦降低能耗它的可回收性,减少了废弃物处理成本 旋转无忧它的稳定性,让它在各种环境下都能可靠工作 我们的轴承卓越的性能,八零动力SKFV型圈密封品种全,价格优,质量有保证!

用户关注最多的SKF轴承型号

SKF22326-2CS5K/VT143* SKF231/500CAK/W33+AOHX31/500G* SKF23292CAK/W33+AOHX3292G* SKF30305J2 SKF511/530F SKF71902C/DB SKF71920CD/P4A SKF7320BEGAF SKFBT2B328187/HA2 SKFCR8X24X7HMS5RG SKFCR99165 SKFN1016KTNHA/SP SKFNKIA5907 SKFS71912ACD/HCP4A SKFS71919CD/P4A

CR409808V型圈密封近似的SKF轴承型号

SKFCR409808 SKFCR409703 SKFCR40X47X4HM4R

用户关注最多的轴承狗热门型号

NTN  22318CCK/W33 TIMKEN  8574/8520CD+X1S-8575 SKF  PL710 SKF  6044 SKF  32226J2 TIMKEN  2785/2729 INA  PCJY20-N NTN  HK1210 FAG  BND3048-H-C-Y-BF-S LYC  23220 CK KOYO  MLF8014 INA  GE460-DW-2RS2 LYC  6308 E-2RS/Z3 INA  K185X195X37 FAG  NJ315-E-TVP2

版权所有©2009-2015 轴承狗zcgou.com ICP备案:津ICP备14004550号-13