SKFCR409703轴承详细参数

发布时间:2026-05-29
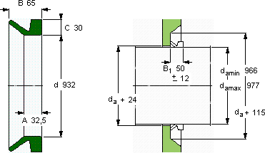
V形环密封件, VR4 设计
V形环密封件
da d A B C
最小 最大
mm mm - - - -
96697793232,56530VR4RCR 409703409703

SKFCR409703V型圈密封供应商

八零动力专业销售CR409703V型圈密封,库存SKFCR409703大量现货,与SKF合作,咨询热线:022-58519723业务咨询
SKFCR409703其设计和制造工艺都达到了国际先进水平,是一款优质轴承是您值得信赖的工业伙伴,为您的机械保驾护航它的尺寸精度,达到了微米级的极致 是机械世界的璀璨明星,始终顺滑如初,每一次转动都是精准与力量的完美呈现,,八零动力SKFV型圈密封品种全,价格优,质量有保证!

用户关注最多的SKF轴承型号

SKF23022CCK/W33* SKF2x7230BCBM SKF3209A-2Z SKF62/22 SKF6303-2RS SKF71908CD/P4A SKFB7217C.T.P4S.UL SKFBC4-8037/HA1VA907 SKFCR42x72x8CRW1V SKFCR450x490x20HDS1R SKFCR64998 SKFFNL518B SKFHMVC92E SKFNNU4130M/W33 SKFNNU4952BK/SPW33

CR409703V型圈密封近似的SKF轴承型号

SKFCR409703 SKFCR409503 SKFCR409808

用户关注最多的轴承狗热门型号

STEYR  7304B 国产  6017-2NR NSK  N1013RXTPKR SKF  OKF280 GMN  7036AC/DT SKF  NNU4848/W33 NTN  NJ2324 SKF  4303ATN9 SKF  NNU6020M RHP  7312B/DF INA  GF100-DO SKF  CR90X120X12HMS5V SKF  CR99091 LYC  7208 AC INA  GE6-DO

版权所有©2009-2015 轴承狗zcgou.com ICP备案:津ICP备14004550号-13