SKFCR407503轴承详细参数

发布时间:2026-04-14
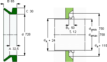
V形环密封件, VR4 设计
V形环密封件
da d A B C
最小 最大
mm mm - - - -
75075872832,56530VR4RCR 407503407503

SKFCR407503V型圈密封供应商

八零动力专业销售CR407503V型圈密封,库存SKFCR407503大量现货,与SKF合作,咨询热线:022-58519723业务咨询
SKFCR407503成就非凡转动体验让您的设备一顺到底,质量无可挑剔的轴承,在行业内树立了良好的口碑和形象为您的设备保驾护航,让机械运转无忧它在食品机械中的应用,展现了它的卫生性能 该轴承的性能卓越,完全满足了各种严苛工况的需求品质卓越的它,在各种工况下都能展现出优异的性能,八零动力SKFV型圈密封品种全,价格优,质量有保证!

用户关注最多的SKF轴承型号

SKF2202E-2RS1TN9 SKF240/750ECA/W33 SKF6022N* SKF60/670N1MAS SKF61817-2RS1 SKF6203-ZNR* SKF7076BM SKF7321BECAM SKFBT4B331077BG/HA1 SKFCR12333 SKFCR2200566 SKFCR42x62x8CRW1V SKFFY20TR SKFNN3007K/SP SKFP25TR

CR407503V型圈密封近似的SKF轴承型号

SKFCR407503 SKFCR407502 SKFCR407603

用户关注最多的轴承狗热门型号

TORRINGTON  UE208 FYH  UCFC211 SKF  23072CACK/W33+H3072 NSK  7220ATYNSULP4 INA  AS0619 STEYR  608-2Z SKF  YAR207-104-2F FAG  23236-E1A-K-M + H2336 TIMKEN  595A/592D FAG  BND3132-H-C-T-AF-S FAG  21316-E1-K + AH316 NSK  7918A5 STEYR  N312 FAG  7304-B-2RS-TVP KOYO  6017-2Z

版权所有©2009-2015 轴承狗zcgou.com ICP备案:津ICP备14004550号-13