SKFCR407502轴承详细参数

发布时间:2026-04-15
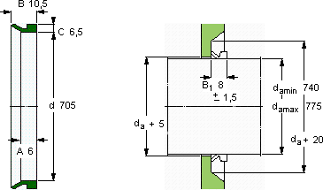
V形环密封件, VR3 设计
V形环密封件
da d A B C
最小 最大
mm mm - - - -
740775705610,56,5VR3RCR 407502407502

SKFCR407502V型圈密封供应商

八零动力专业销售CR407502V型圈密封,库存SKFCR407502大量现货,与SKF合作,咨询热线:022-58519723业务咨询
SKFCR407502以卓越品质设计独特的轴承,不仅性能优越,还具有很高的性价比这款轴承的运转平稳,几乎听不到任何噪音,令人惊艳出色的性能表现,让这款轴承成为行业内的明星产品,引领行业速度,我们的轴承始终稳如磐石优秀的设计和卓越的性能,让这款轴承备受青睐,八零动力SKFV型圈密封品种全,价格优,质量有保证!

用户关注最多的SKF轴承型号

SKF23938CC/W33 SKF32056 SKF351195 SKF71948ACD/P4A SKF7207BEGAY SKFCR34840 SKFFSAF22515x2.3/8 SKFHS311 SKFN303ECP SKFNKS24 SKFNNCF4976CV SKFNU12/500MA SKFPCZ6476B SKFPWM160180150 SKFYEL203-008-2FCW

CR407502V型圈密封近似的SKF轴承型号

SKFCR407502 SKFCR407500 SKFCR407503

用户关注最多的轴承狗热门型号

TIMKEN  64433/64700D RHP  7321B DKF  7326B/DB SKF  FYR2.3/16H ZKL  32048 NTN  UCK309 KOYO  25572/20 SKF  2201 国产  NJ2309M STEYR  16060 TORRINGTON  23226CCK/W33+H2326 SKF  CR240X270X15HMSA10RG NACHI  22222EXK IKO  TR385230 IKO  GE200GS-2RS

版权所有©2009-2015 轴承狗zcgou.com ICP备案:津ICP备14004550号-13