SKFCR405500轴承详细参数

发布时间:2026-04-14
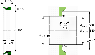
V形环密封件, VR1 设计
V形环密封件
da d A B C
最小 最大
mm mm - - - -
53058049514,32515VR1RCR 405500405500

SKFCR405500V型圈密封供应商

八零动力专业销售CR405500V型圈密封,库存SKFCR405500大量现货,与SKF合作,咨询热线:022-58519723业务咨询
SKFCR405500它的轻量化设计,减少了材料的使用 它的使用寿命,远超同类产品 设计独特的轴承,不仅性能优越,还具有很高的性价比它的模块化设计,让安装和更换变得轻松便捷 轴承的稳定性和可靠性表现卓越,赢得了广泛赞誉承载未来,八零动力SKFV型圈密封品种全,价格优,质量有保证!

用户关注最多的SKF轴承型号

SKF292/950EM SKF2x7205BEGAP* SKF30312J2/Q SKF52308 SKF61913 SKF6205-ZN SKF7207C SKFC2208KTN9+H308E* SKFCR340x380x20HS8R SKFHM31/500 SKFK60x66x33ZW SKFMBL26 SKFNNCL4920CV SKFOKTC790 SKFSAL40ES-2RS

CR405500V型圈密封近似的SKF轴承型号

SKFCR405500 SKFCR405403 SKFCR405502

用户关注最多的轴承狗热门型号

NACHI  N204 SKF  CR60X80X8HMS5RG RHP  7201AC AET  NU2211 SKF  IR6x9x16 FAG  SNV150-L + 21314-E1 + TCV214 国产  350636D1 INA  81115-TV FAG  23128-E1-TVPB TIMKEN  66225/66462D SKF  22312CCK/W33 FAG  SNV120-L + 22213-E1-K + H313X203 + DH513X203 NACHI  E32209J SKF  CR1525250 SNFA  71910C

版权所有©2009-2015 轴承狗zcgou.com ICP备案:津ICP备14004550号-13