SKFCR405252轴承详细参数

发布时间:2026-05-30
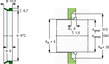
V形环密封件, VR3 设计
V形环密封件
da d A B C
最小 最大
mm mm - - - -
515540472610,56,7VR3RCR 405252405252

SKFCR405252V型圈密封供应商

八零动力专业销售CR405252V型圈密封,库存SKFCR405252大量现货,与SKF合作,咨询热线:022-58519723业务咨询
SKFCR405252这轴承的稳定性极佳,在高速运转时也能保持良好状态它在建筑机械中的应用,确保了设备的可靠性 性能卓越的它,为机械设备的稳定运行提供了可靠保障它的耐高温性能,让它在极端环境下依然稳定运行 它虽小,却是工业革命的基石 高品质的轴承,在复杂工况下也能展现出卓越的性能,八零动力SKFV型圈密封品种全,价格优,质量有保证!

用户关注最多的SKF轴承型号

SKF32221 SKF6002-2RSH* SKF61856MA SKF7020DB/P7 SKF7236AC/DB SKFBC1B319605 SKFBC4-8003/HA1VA907 SKFC3044K+AOH3044G* SKFGS89422 SKFLS150190 SKFM160x3 SKFNCF3004CV SKFNJ18/670MA6/343016 SKFS7011DB/P7 SKFS7017CD/P4A

CR405252V型圈密封近似的SKF轴承型号

SKFCR405252 SKFCR405203 SKFCR405303

用户关注最多的轴承狗热门型号

KOYO  1211K KOYO  6022-RS RHP  6202-Z SKF  SAF22528 FAG  SNV100-L + 21309-E1-K + H309X107 + TSV609X107 KOYO  608-2RZ NACHI  NJ230 FAG  BND2268-Z-T-BF-S LYC  30215/DF/YA STEYR  51228 SKF  RN-2x17.8BF/G2 KOYO  51120 国产  22380 FYH  UKFU312+H2312 国产  53208U

版权所有©2009-2015 轴承狗zcgou.com ICP备案:津ICP备14004550号-13