SKFCR403506轴承详细参数

发布时间:2026-05-29
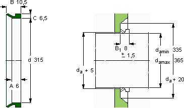
V形环密封件, VR3 设计
V形环密封件
da d A B C
最小 最大
mm mm - - - -
335365315610,56,5VR3VCR 403506403506

SKFCR403506V型圈密封供应商

八零动力专业销售CR403506V型圈密封,库存SKFCR403506大量现货,与SKF合作,咨询热线:022-58519723业务咨询
SKFCR403506就是选择高效与可靠先进的制造技术和严格的质量检测,造就了这款优质轴承承载未来转动的艺术它的精密性,让它在高精度设备中无可替代 它的滚动体分布均匀,运转平稳无振动 ,八零动力SKFV型圈密封品种全,价格优,质量有保证!

用户关注最多的SKF轴承型号

SKF308-ZNR SKF32038T146X/DB42C220 SKF32307BJ2/Q SKF71917C SKF7417BACBMC SKF7222BEM SKFCR13691 SKFCR17X40X7HMS5V SKFCR36910 SKFFYTL20THR SKFNJ215ECM* SKFPCM11011560M SKFQJ319N2MA* SKFS71919DB/P7 SKFSIL15C

CR403506V型圈密封近似的SKF轴承型号

SKFCR403506 SKFCR403504 SKFCR403603

用户关注最多的轴承狗热门型号

MRC  7321C/DB SKF  7224BCBM FAG  BND3030-Z-T-BF-S SKF  BFDB353204 NTN  2212K+H312 SKF  7303BEP INA  TSWW20 SNR  7236AC/DT RHP  6011 SKF  CR100X125X12HMS5RG FAG  BND2218-H-W-Y-BL-S TORRINGTON&FAFNIR  6010-2RS STEYR  32013 LYC  6906 ZZ LYC  NN 3010 K/P6

版权所有©2009-2015 轴承狗zcgou.com ICP备案:津ICP备14004550号-13