SKFCR403504轴承详细参数

发布时间:2026-04-14
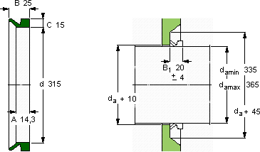
V形环密封件, VR1 设计
V形环密封件
da d A B C
最小 最大
mm mm - - - -
33536531514,32515VR1VCR 403504403504

SKFCR403504V型圈密封供应商

八零动力专业销售CR403504V型圈密封,库存SKFCR403504大量现货,与SKF合作,咨询热线:022-58519723业务咨询
SKFCR403504这款轴承的稳定性极佳,在长时间运行中也能保持良好状态它的模块化设计,让安装和更换变得轻松便捷 轴承的耐用性出色,能够长时间保持良好的工作状态为您的设备保驾护航,让机械运转无忧出色的性能表现,让这款轴承成为行业内的明星产品,精准承载,八零动力SKFV型圈密封品种全,价格优,质量有保证!

用户关注最多的SKF轴承型号

SKF2205K SKF22230CCK/W33+AHX3130G* SKF22338CCK/W33+H2338* SKF23180CAK/W33+AOH3180G* SKF33017/QDFC240 SKF510/710F SKF6219-RS1* SKF6008-2RS1* SKF6408 SKFBT4B328817EX1/C475* SKFOKC600 SKFPCM10010560B SKFS7015ACD/HCP4A SKFSNW36x6.3/8 SKFZ009F

CR403504V型圈密封近似的SKF轴承型号

SKFCR403504 SKFCR403502 SKFCR403506

用户关注最多的轴承狗热门型号

SKF  NCF3030CV NSK  UCP214-212D1 NTN  6309-RZ FAG  F508-WA-L + 2208-K-TVH-C3 NSK  7009A5TYNDBLP4 DKF  7303AC/DB MAC  N322 INA  AUVL19105 SKF  BT4-8122G/HA1 TIMKEN  GY1115KRRB NTN  635-2Z NTN  7022C SKF  23218-2CS/VT143* RIV  NU1014 FAG  SNV160-L + 1315-K-M-C3 + H315X210 + DH615

版权所有©2009-2015 轴承狗zcgou.com ICP备案:津ICP备14004550号-13