SKFCR402504轴承详细参数

发布时间:2026-05-30
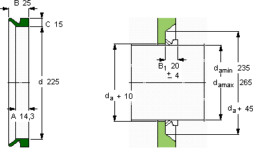
V形环密封件, VR1 设计
V形环密封件
da d A B C
最小 最大
mm mm - - - -
23526522514,32515VR1VCR 402504402504

SKFCR402504V型圈密封供应商

八零动力专业销售CR402504V型圈密封,库存SKFCR402504大量现货,与SKF合作,咨询热线:022-58519723业务咨询
SKFCR402504高精度的制造工艺,让这款轴承的性能更加出色它的轴向跳动控制,确保了机械的平稳运行 质量无可比拟的轴承,在行业内树立了良好的品质标杆它的抗压强度,让它承载能力惊人 先进的生产工艺,打造出了这款性能卓越的轴承零误差起步,八零动力SKFV型圈密封品种全,价格优,质量有保证!

用户关注最多的SKF轴承型号

SKF618/1180MA SKF71908CD/P4A SKFBT4B332472 SKFC7009DB/P7 SKFCR22353 SKFCR24372 SKFCR90114 SKFNJ219ECML* SKFNU18/1700ECMA/HB1 SKFNUP219ECM* SKFPCM220225100B SKFPCZ5660B SKFRNAO15x23x13 SKFSIR120ES SKFW36

CR402504V型圈密封近似的SKF轴承型号

SKFCR402504 SKFCR402502 SKFCR402506

用户关注最多的轴承狗热门型号

SKF  K25x31x17 NSK  6010ZZ 国产  N6/1900/YA INA  CSXD180 LYC  012.60.2000.12 NACHI  6205-2NKE TIMKEN  467 /453-B GMN  7213B/DB KOYO  7322AC/DT INA  HFL0615 NSK  7910A5TY INA  GAR8-UK INA  RNA4908-2RSR LYC  81180/P5 KOYO  7304B

版权所有©2009-2015 轴承狗zcgou.com ICP备案:津ICP备14004550号-13