SKFCR402502轴承详细参数

发布时间:2026-05-30
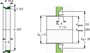
V形环密封件, VR3 设计
V形环密封件
da d A B C
最小 最大
mm mm - - - -
233260225610,56,5VR3RCR 402502402502

SKFCR402502V型圈密封供应商

八零动力专业销售CR402502V型圈密封,库存SKFCR402502大量现货,与SKF合作,咨询热线:022-58519723业务咨询
SKFCR402502轴承的稳定性和可靠性都十分出色,赢得了用户的信赖品质卓越的它,在各种工况下都能展现出优异的性能它的高可靠性,减少了设备停机时间 它的润滑技术,减少了润滑剂的使用 轴承的耐用性强,减少了设备的停机维护时间它的品质卓越,是提升机械设备整体性能的关键所在,八零动力SKFV型圈密封品种全,价格优,质量有保证!

用户关注最多的SKF轴承型号

SKF249/710CA/W33* SKF3207A-RS SKF3302ATN9 SKF33212/Q SKF7202BEP SKFCR26x35x7CRS1R SKFCR45X52X4HM4R SKFCR85X105X12HMS5RG SKFCR87585 SKFNJ411 SKFNKIB5901 SKFNU306ECP SKFPDRJ316 SKFRNAO35x47x32 SKFWS81138

CR402502V型圈密封近似的SKF轴承型号

SKFCR402502 SKFCR402500 SKFCR402504

用户关注最多的轴承狗热门型号

SKF  C31/600KMB+AOHX31/600* 国产  ST015 MRC  6024N SKF  7303BEGAP KOYO  24148RHAK30+AH24148 NACHI  HM89449/HM89410 SKF  YAR209-112-2FW/VA228 SKF  2218K+H318 TIMKEN  3782/3729D NACHI  6006ZENR TIMKEN  24112/24261 SKF  249/1120CAF/W33 NACHI  6903N IKO  GE220GS IKO  CFE30-2VB

版权所有©2009-2015 轴承狗zcgou.com ICP备案:津ICP备14004550号-13