SKFCR401905轴承详细参数

发布时间:2026-05-29
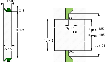
V形环密封件, VR2 设计
V形环密封件
da d A B C
最小 最大
mm mm - - - -
1851951711520,58VR2VCR 401905401905

SKFCR401905V型圈密封供应商

八零动力专业销售CR401905V型圈密封,库存SKFCR401905大量现货,与SKF合作,咨询热线:022-58519723业务咨询
SKFCR401905为您的设备保驾护航,让机械运转无忧它的几何精度,让机械运转分毫不差 它的耐高温性能,减少了冷却系统的能耗 畅享稳定顺滑的旋转之旅,它的质量可靠,是众多机械设备制造商的首选配件该轴承的性能出色,有效提升了机械设备的整体性能,八零动力SKFV型圈密封品种全,价格优,质量有保证!

用户关注最多的SKF轴承型号

SKF15103S/15243/Q SKF218-2Z SKF293/750 SKF29438 SKF61828-2RS SKF6216/C3VL0241 SKF7044CD/P4A SKFBEAM025075-2Z SKFCR528002 SKFCR65X85X12HMS5RG SKFCR99219 SKFNJ311ECP SKFNU317ECM* SKFPCM202320M SKFSYNT35FTS

CR401905V型圈密封近似的SKF轴承型号

SKFCR401905 SKFCR401904 SKFCR401906

用户关注最多的轴承狗热门型号

NSK  105BER19XE SNR  7317AC/DB TIMKEN  HML92 TIMKEN  67390/67322DC/X1S-67390 INA  NKXR25 TIMKEN  25584/25520 KOYO  51103 INA  WS81103 FAG  SNV170-L + 21316-E1 + DHV316 GMN  71917C/DF NSK  35BER20XV1V KOYO  29413 SKF  1322K+H322 FAG  KUG60,325 IKO  LRT17019060

版权所有©2009-2015 轴承狗zcgou.com ICP备案:津ICP备14004550号-13