SKFCR400301轴承详细参数

发布时间:2026-05-30
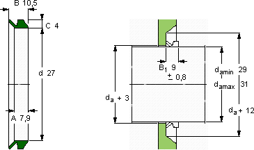
V形环密封件, VR2 设计
V形环密封件
da d A B C
最小 最大
mm mm - - - -
2931277,910,54VR2RCR 400301400301

SKFCR400301V型圈密封供应商

八零动力专业销售CR400301V型圈密封,库存SKFCR400301大量现货,与SKF合作,咨询热线:022-58519723业务咨询
SKFCR400301它的加工精度,确保了机械运转的稳定性 它的高可靠性,减少了设备停机时间 就是选择高效与可靠它的精密设计,展现了人类智慧的巅峰 它的精密设计,展现了人类智慧的巅峰 每一次转动都是精准与力量的完美呈现,,八零动力SKFV型圈密封品种全,价格优,质量有保证!

用户关注最多的SKF轴承型号

SKF21308CCK SKF22315EJA/VA405* SKF2315K+H2315 SKF61824-2RZ SKF6407 SKF7020ACD/P4A SKF71909CE/P4A SKFBT4B328871BG/HA1VA902* SKFFSYE2.1/2H SKFHE3032 SKFIR65x72x25 SKFIR8x12x10IS1 SKFNNCF5018CV SKFSAF1320 SKFSY1.11/16TF

CR400301V型圈密封近似的SKF轴承型号

SKFCR400301 SKFCR400300 SKFCR400304

用户关注最多的轴承狗热门型号

NACHI  NF422 TORRINGTON  21306CCK TIMKEN  28580 /28521-B SKF  CR58X72X8HMS5RG NSK  54228X STEYR  NU1032 FAG  S3060-H-N-FZ-AL-L + 23060-K-MB LYC  66/730 M STEYR  30306 TIMKEN  JM205149/JM205110 LYC  FCDP 84120440/P5 KOYO  NU408 NSK  NNU4938K KOYO  NU313E NTN  BK2216

版权所有©2009-2015 轴承狗zcgou.com ICP备案:津ICP备14004550号-13