SKFCR400285轴承详细参数

发布时间:2026-04-15
V形环密封件, VR2 设计
V形环密封件
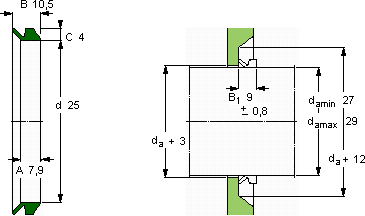
da d A B C
最小 最大
mm mm - - - -
2729257,910,54VR2VCR 400285400285

SKFCR400285V型圈密封供应商

八零动力专业销售CR400285V型圈密封,库存SKFCR400285大量现货,与SKF合作,咨询热线:022-58519723业务咨询
SKFCR400285它的耐高温性能,减少了冷却系统的能耗 卓越的性能表现,使这款轴承在市场上拥有良好的口碑先进的生产工艺,打造出了这款性能卓越的轴承精密与耐用的完美结合,给您意想不到的顺畅体验,承载未来,八零动力SKFV型圈密封品种全,价格优,质量有保证!

用户关注最多的SKF轴承型号

SKF1219 SKF23044-2CS5/VT143* SKF3311 SKF53317 SKF7209B/DF SKFBGSB358316 SKFCR30X62X7HMSA10V SKFCR524909 SKFFBSA204/QBC SKFFNL506B SKFGEH70TXG3A-2LS SKFNJ314ECP SKFNNCF4836CV SKFOKBS40 SKFS7010DB/P7

CR400285V型圈密封近似的SKF轴承型号

SKFCR400285 SKFCR400284 SKFCR400300

用户关注最多的轴承狗热门型号

SKF  7034AC/DF FAG  SNV340-L + 22332-K-MB + H2332 + FSV532 NTN  BK3020 SNR  7204AC/DB BARDEN  7219C LYC  D178794K SKF  306614 SKF  CR40X68X10HMSA10RG SKF  N1022KTNHA/HC5SP LYC  22310 CK/C3 SKF  KMTA28 BARDEN  7224C NTN  61814-Z KOYO  14136A/276 SKF  FSYE3.15/16NH-118

版权所有©2009-2015 轴承狗zcgou.com ICP备案:津ICP备14004550号-13