SKFCR400284轴承详细参数

发布时间:2026-05-30
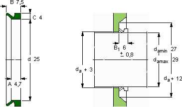
V形环密封件, VR1 设计
V形环密封件
da d A B C
最小 最大
mm mm - - - -
2729254,77,54VR1VCR 400284400284

SKFCR400284V型圈密封供应商

八零动力专业销售CR400284V型圈密封,库存SKFCR400284大量现货,与SKF合作,咨询热线:022-58519723业务咨询
SKFCR400284轴承的性能可靠,为机械设备的稳定运行立下汗马功劳它的品质卓越,为机械设备的高效、稳定运行保驾护航先进的制造技术和严格的质量控制,造就了这款优质轴承它的密封性能,完美抵御灰尘和杂质的侵袭 它的可回收性,体现了环保理念 它的抗冲击能力,让它经久不衰 ,八零动力SKFV型圈密封品种全,价格优,质量有保证!

用户关注最多的SKF轴承型号

SKF24156CC/W33* SKF30214 SKF3203A-2RS SKF51234 SKF6220-Z* SKF7018C/DT SKF7209BEY SKF81115 SKFC71906DB/P7 SKFCR594241 SKFCR86688 SKFFSYE2.3/4N-118 SKFNKX17 SKFNN3056K/SPW33 SKFPCM202330E

CR400284V型圈密封近似的SKF轴承型号

SKFCR400284 SKFCR400281 SKFCR400285

用户关注最多的轴承狗热门型号

NSK  7230BDF FAG  23226-E1A-K-M + H2326 SKF  21319CCK+H319 INA  CSXC100 FAG  H213X206 FAG  SNV140-L + 2313-K-TVH-C3 + H2313X206 + DHV613 MRC  7309C/DT STEYR  6219N FAG  22236-E1-K NSK  NUP1028 LYC  5397/1655 LYC  6005 ZZ C3 FAG  SNV320-L + 22330-E1 + FSV330 IKO  BA1312Z IKO  BR283716

版权所有©2009-2015 轴承狗zcgou.com ICP备案:津ICP备14004550号-13