SKFCR400061轴承详细参数

发布时间:2026-05-30
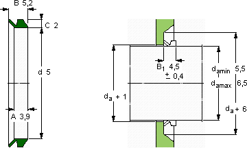
V形环密封件, VR2 设计
V形环密封件
da d A B C
最小 最大
mm mm - - - -
5,56,553,95,22VR2RCR 400061400061

SKFCR400061V型圈密封供应商

八零动力专业销售CR400061V型圈密封,库存SKFCR400061大量现货,与SKF合作,咨询热线:022-58519723业务咨询
SKFCR400061轴承的耐用性出色,能够长时间保持良好的工作状态它的径向跳动控制,达到了行业顶尖水平 您值得拥有稳定持久卓越的性能和可靠的质量,让这款轴承成为市场的宠儿它的可靠性,赢得了无数用户的信赖 ,八零动力SKFV型圈密封品种全,价格优,质量有保证!

用户关注最多的SKF轴承型号

SKF24030CCK30/W33 SKFAOHX3292G SKFCR33665 SKFCR38X62X10HMS5V SKFCR61215 SKFFSYE5H SKFNNCL4960CV SKFKMFE21 SKFLL639249/210 SKFN220ECP SKFNCF2936CV SKFNU2334ECMA SKFS71911ACD/P4A SKFSA20ES SKFSC7017DB/P7

CR400061V型圈密封近似的SKF轴承型号

SKFCR400061 SKFCR400060 SKFCR400064

用户关注最多的轴承狗热门型号

SNR  7320C/DT NTN  51108 国产  3315A-ZTN1 KOYO  51208 FAG  SD540-N-FZ-BF-L + 22240-B-K-MB RHP  2304 TIMKEN  358D/352 国产  22256CM FAG  SNV090-L + 22210-E1-K + H310 + FSV510 国产  6220-2Z/Z2 NACHI  53248 NSK  6005 SKF  313 TORRINGTON&FAFNIR  7228B SNFA  71901C

版权所有©2009-2015 轴承狗zcgou.com ICP备案:津ICP备14004550号-13