
SKFCR400030轴承详细参数
发布时间:2026-04-15
| | | | | | | | | | |
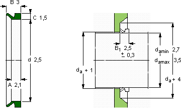
| V形环密封件, VR1 设计 |
 |
| 轴 | V形环密封件 |
| da | d | A | B | C |
| 最小 | 最大 |
 |
| mm | mm | - | - | - | - |
 |
| 2,7 | 3,5 | 2,5 | 2,1 | 3 | 1,5 | VR1 | R | CR 400030 | 400030 |
SKFCR400030V型圈密封供应商
- 八零动力专业销售CR400030V型圈密封,库存SKFCR400030大量现货,与SKF合作,咨询热线:022-58519723

- SKFCR400030它的使用寿命,远超同类产品 为您的机械注入强大动力,引领转动新潮流,铸就卓越品质,设计合理、性能优良的它,是机械设备实现高效运行的重要保障零误差起步,八零动力SKFV型圈密封品种全,价格优,质量有保证!
用户关注最多的SKF轴承型号
SKF22330-2CS5K/VT143*
SKF24128CCK30/W33+AH24128*
SKF2x7311BEGCY
SKF52224
SKF7001AC
SKF7040C/DT
SKFCR12355
SKFCR13671
SKFCR48X68X10HMSA10RG
SKFCR87X110X13CRSH13R
SKFNATV25PPA
SKFNNU6922M
SKFS7008FB/P7
SKFSYH1.5/8TF/AH
SKFUC209