

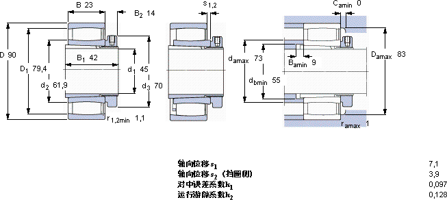
| CARB圆环滚子轴承, 带紧定套的, 满 | |||||||||||
| 主要数据尺寸 | 基本负荷额定值 | 疲劳负荷限值 | 额定速度 | 体积 | 型号 | ||||||
| 动态 | 静态 | 参照速度 | 限制速度 | 轴承 + 紧定套 | |||||||
| d1 | D | B | C | C0 | Pu | * - SKF Explorer 轴承 | **-请查实能否供货 | ||||
| mm | kN | kN | r/min | kg | - | ||||||
| 45 | 90 | 23 | 114 | 122 | 14,3 | - | 3800 | 0,89 | C 2210 KV + H 310 E * | - | |
版权所有©2009-2015 轴承狗zcgou.com ICP备案:津ICP备14004550号-13