SKFBVNB328587/HA1轴承详细参数

发布时间:2026-05-30
组合式圆柱滚子轴承/圆锥滚子轴承, 组合式圆柱滚子轴承/圆锥滚子轴承
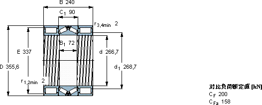
主要数据尺寸 基本负荷额定值(1列) 疲劳限值(1列) 体积 型号
径向 轴向
动态 静态 动态 静态 径向 轴向
d D B C C0 C C0 Pu Pu
mm kN kN kg -
266,7355,62407651530655232015320867,5BVNB 328587/HA1

SKFBVNB328587/HA1圆柱滚子和圆锥滚子组合轴承供应商

八零动力专业销售BVNB328587/HA1圆柱滚子和圆锥滚子组合轴承,库存SKFBVNB328587/HA1大量现货,与SKF合作,咨询热线:022-58519723业务咨询
SKFBVNB328587/HA1轴承的精度和稳定性都达到了行业顶尖水平匠心制造我们的轴承卓越的性能它的低噪音设计,减少了对环境的噪音污染 它的耐高温性能,让它在极端环境下依然稳定运行 优秀的设计理念和精湛的制造工艺,成就了这款优秀的轴承,八零动力SKF圆柱滚子和圆锥滚子组合轴承品种全,价格优,质量有保证!

用户关注最多的SKF轴承型号

SKF2315 SKF3203A-Z SKF32308 SKF61812-2RZ SKF71809ACD/HCP4 SKF7338BCBM SKFBB1B362692 SKFC2316K* SKFKMK11 SKFNU217ECP SKFNU2234E SKFNU306ECJ* SKFRN-3x15.8BF/G2 SKFS7019DB/P7 SKFSYH1.1/4ARM

BVNB328587/HA1圆柱滚子和圆锥滚子组合轴承近似的SKF轴承型号

SKFBVNB328587/HA1 SKFBVNB328584/HA1 SKFBVNB328601/HA1

用户关注最多的轴承狗热门型号

SKF  24128CCK30/W33 NACHI  240/800EW33 FLT  NJ222 NTN  NJ2318E SKF  SYH1.1/4FM NACHI  6906ZZE SKF  CR405803 SKF  SNP3060x10.15/16 KOYO  6306-2RZ TIMKEN  K35X42X16AH SKF  CR38x52x8CRW1R NSK  7911CDT KINGON  K10×22×8 NSK  N310 IKO  NAU4918UU

版权所有©2009-2015 轴承狗zcgou.com ICP备案:津ICP备14004550号-13