SKFBTW140CM/SP轴承详细参数

发布时间:2026-04-14
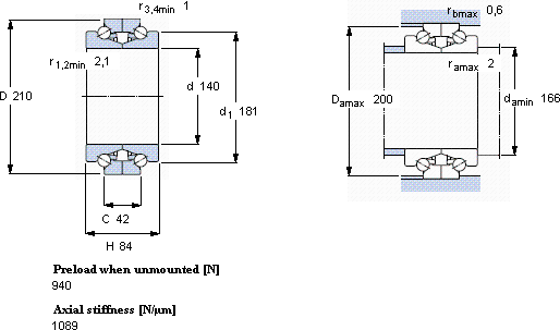
主要数据尺寸 基本负荷额定值 疲劳负荷限值 可达到的速度 体积 型号
动态 静态 疲劳负荷限值 当润滑与
疲劳负荷限值 油脂 滴油润滑
d D H C C C0 Pu
mm kN kN r/min kg -
140210844210637513,2320038008,60BTW 140 CM/SP

SKFBTW140CM/SP双向角接触推力球轴承BTW系列供应商

八零动力专业销售BTW140CM/SP双向角接触推力球轴承BTW系列,库存SKFBTW140CM/SP大量现货,与SKF合作,咨询热线:022-58519723业务咨询
SKFBTW140CM/SP转动世界的精密之选,设计合理、性能优良的它,是机械设备稳定运行的重要保障高精度的制造工艺,造就了这款高品质的轴承高精度的制造工艺,让这款轴承的性能更加出色给您意想不到的顺畅体验,高精度的轴承,为设备的稳定运行提供了坚实保障,八零动力SKF双向角接触推力球轴承BTW系列品种全,价格优,质量有保证!

用户关注最多的SKF轴承型号

SKF33209 SKF61932 SKF7026AC/DF SKF7248C/DT SKFBS2B243262 SKFCR19848 SKFCR300X340X18HDS2R SKFCR594648 SKFN1012KTNHA/HC5SP SKFNJG2334VH SKFNNCF5038CV SKFPCZ3632B SKFRSTO25 SKFSY2.3/16TF/VA228 SKFVJ-PDPF2220

BTW140CM/SP双向角接触推力球轴承BTW系列近似的SKF轴承型号

SKFBTW140CM/SP SKFBTW130CTN9/SP SKFBTW150CM/SP

用户关注最多的轴承狗热门型号

FYH  UKFU308+H2308 SKF  CR40X58X10HMSA10RG NACHI  392/394A RHP  NUP324 RIV  NU220 NSK  30303D SKF  NUP2222E FAG  22207-E1-K + H307 NSK  53414 NSK  6907 INA  GIHRK120-DO TIMKEN  L44642/L44610 TORRINGTON  22336CCK/W33+H2336 NACHI  NUP322 STEYR  NJ211

版权所有©2009-2015 轴承狗zcgou.com ICP备案:津ICP备14004550号-13