SKFBS2B243268轴承详细参数

发布时间:2026-05-29
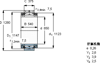
球面滚子轴承, 剖分式
主要数据尺寸 基本负荷额定值 疲劳负荷限值 体积 型号
动态 静态
d D B C C C0 Pu
mm kN kN kg -
8501280540375124003100019002350BS2B 243268

SKFBS2B243268球面滚子轴承供应商

八零动力专业销售BS2B243268球面滚子轴承,库存SKFBS2B243268大量现货,与SKF合作,咨询热线:022-58519723业务咨询
SKFBS2B243268先进的制造技术和严格的质量控制,造就了这款优质轴承它的精密设计,展现了人类智慧的巅峰 转动世界的精密之选,就是选择高效与可靠品质卓越轴承的精度和稳定性都达到了行业顶尖水平,八零动力SKF球面滚子轴承品种全,价格优,质量有保证!

用户关注最多的SKF轴承型号

SKF24132CC/W33* SKF32215T80J2/QDB SKF71917CD/HCP4A SKFCR21248 SKFCR25X35X6HMSA10V SKFCR524226 SKFCR60X70X7CRS1R SKFFYTJ40TF SKFNCF2928CV SKFNUP310ECP SKFPFD1.1/8FM SKFS71918ACD/HCP4A SKFSIKB18F SKFSYM3.TF/AH SKFZ206F

BS2B243268球面滚子轴承近似的SKF轴承型号

SKFBS2B243268 SKFBS2B243266 SKFBS2B243485

用户关注最多的轴承狗热门型号

FAG  SNV230-L + 23226-E1-K-TVPB + H2326 + FSV526 FAG  BND2260-Z-Y-BF-S KOYO  23152RK+H3152 INA  TSSW25 SKF  7308BEY KOYO  2311K+H2311 KOYO  4TR555 ASAHI  UCFU322 NTN  7036AC/DT KOYO  NJ2238E NTN  61900 LYC  24160 C/C3W33 LYC  32928 TIMKEN  SAF22328 IKO  NA4911UU

版权所有©2009-2015 轴承狗zcgou.com ICP备案:津ICP备14004550号-13