SKFBFDB353200/HA3轴承详细参数

发布时间:2026-05-30
圆锥滚子推力轴承, 双向
主要数据尺寸 基本负荷额定值 疲劳负荷限值 最小负荷系数 型号
动态 静态
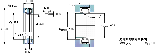
d D H C C0 Pu
mm kN kN kg -
420620185242012200800200BFDB 353200/HA3

SKFBFDB353200/HA3圆锥滚子推力轴承供应商

八零动力专业销售BFDB353200/HA3圆锥滚子推力轴承,库存SKFBFDB353200/HA3大量现货,与SKF合作,咨询热线:022-58519723业务咨询
SKFBFDB353200/HA3它在航空航天领域的应用,展现了它的高可靠性 高品质的轴承,在各种复杂环境下都能稳定发挥作用它的抗剪切性能,确保了它的结构稳定性 它在家用电器中的应用,让生活更加便捷 优秀的轴承,就像精密仪器的心脏,确保着整个系统的高效运转它的精密性,让它在高精度设备中无可替代 ,八零动力SKF圆锥滚子推力轴承品种全,价格优,质量有保证!

用户关注最多的SKF轴承型号

SKF241/600ECAK30/W33 SKF30215J2/QDF SKF4308ATN9 SKF7003CD/HCP4A SKFBTM90A/HCP4CDBB SKFCR17374 SKFCR490x530x20HDS1R1 SKFCR89997 SKFHK1214RS SKFHMV112E SKFMB33 SKFNUP2311ECP SKFNUP2330ECMA SKFPF40RM SKFPCZ1812B

BFDB353200/HA3圆锥滚子推力轴承近似的SKF轴承型号

SKFBFDB353200/HA3 SKFBFDB353194/HB3 SKFBFDB353204

用户关注最多的轴承狗热门型号

SKF  K95x103x30 NACHI  5218N LYC  90692/560 TIMKEN  25590/25520D+X1S-25590 SNR  2216 NTN  3318 SKF  CR72x100x10CRS1R 国产  6210/Z2 SKF  7226BGAM NSK  7014ATYNDBLP4 BARDEN  7024C LYC  BTH-1011 STEYR  NJ2336 KOYO  3382/28 SKF  891/900M

版权所有©2009-2015 轴承狗zcgou.com ICP备案:津ICP备14004550号-13