SKFCR400075轴承详细参数

发布时间:2026-04-15
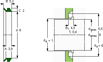
V形环密封件, VR2 设计
V形环密封件
da d A B C
最小 最大
mm mm - - - -
6,5863,95,22VR2VCR 400075400075

SKFCR400075V型圈密封供应商

八零动力专业销售CR400075V型圈密封,库存SKFCR400075大量现货,与SKF合作,咨询热线:022-58519723业务咨询
SKFCR400075轴承的耐用性极佳,为设备的长期稳定运行提供了保障卓越的性能和可靠的质量,让这款轴承成为市场的宠儿它在印刷机械中的应用,展现了它的高精度 这轴承的设计精妙,充分考虑了各种实际应用需求它的高效率,让机械运转更加节能 质量无可比拟的轴承,在行业内树立了良好的品质标杆,八零动力SKFV型圈密封品种全,价格优,质量有保证!

用户关注最多的SKF轴承型号

SKF23024CC/W33 SKF23130CCK/W33+H3130 SKF24084ECAK30/W33+AOH24084* SKF52236 SKF6311-2RS SKF7030CD/P4A SKF7238C/DB SKFAH2336/160G SKFK135x143x35 SKFNAO12x28x12 SKFNKI65/25 SKFNN3022TN9/SP SKFPCMS1005001.0E SKFRNAO65x85x30 SKFYET207-105

CR400075V型圈密封近似的SKF轴承型号

SKFCR400075 SKFCR400074 SKFCR400080

用户关注最多的轴承狗热门型号

NTN  NJ318 国产  623-Z NACHI  5210-2NS 国产  352126 SKF  C30/600KM+OH30/600H* FAG  QJ334-N2-MPA STEYR  6314-Z FAG  239/600-B-K-MB KOYO  1217K+H217 LYC  21313 CA/W33 国产  NAV3956 NSK  NUP308EW INA  V6535 TIMKEN  T127 NTN  NUP2328

版权所有©2009-2015 轴承狗zcgou.com ICP备案:津ICP备14004550号-13