SKFBCSB316586轴承详细参数

发布时间:2026-05-30
圆柱滚子轴承, 剖分式单列
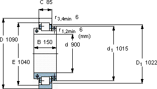
主要数据尺寸 基本负荷额定值 疲劳负荷限值 径向内部游隙 体积 型号
动态 静态
d D B C C C0 Pu 最小 最大
mm kN kN mm kg -
900109015085172042502750,40,52240BCSB 316586

SKFBCSB316586圆柱滚子轴承供应商

八零动力专业销售BCSB316586圆柱滚子轴承,库存SKFBCSB316586大量现货,与SKF合作,咨询热线:022-58519723业务咨询
SKFBCSB316586它的精准度,让机械运转分毫不差 它的质量过硬,为机械设备的高效、安全运行提供了保障它的模块化设计,让安装和更换变得轻松便捷 其设计和制造都达到了极高的水准,是一款不可多得的轴承它在建筑机械中的应用,确保了设备的可靠性 它的抗疲劳性能,确保了长期使用的可靠性 ,八零动力SKF圆柱滚子轴承品种全,价格优,质量有保证!

用户关注最多的SKF轴承型号

SKF23044CC/W33 SKF23088CA/W33* SKF248/1060CAMA/W20 SKF61888MA SKF6202-2RZ SKFCR27269 SKFCR25x52x8HMS4R SKFCR97064 SKFK240x250x42 SKFNKX45Z SKFNU319ECM/C3VL0241 SKFOKCX590 SKFSNL511-609 SKFW619/2-2Z SKFYEL206-101-2F

BCSB316586圆柱滚子轴承近似的SKF轴承型号

SKFBCSB316586 SKFBCSB316283A SKFBCSB320099

用户关注最多的轴承狗热门型号

INA  RA50 NSK  6920N KOYO  47T644826 TORRINGTON  AXK3552 RIV  NJ2304 SKF  N326ECM* SKF  CR32X44X7HMS5V SKF  AS120155 KOYO  618/5 国产  6301-ZN RHP  6214-2Z FAG  2307-K-TVH-C3 + H2307 SKF  SYM1.1/2TF NTN  NJ2313E IKO  TAM5525

版权所有©2009-2015 轴承狗zcgou.com ICP备案:津ICP备14004550号-13