
SKFAMS16ABP轴承详细参数
发布时间:2026-04-15
| | | | | | | | | | | |
| 角接触球轴承, 单列, 英制轴承 |
 |
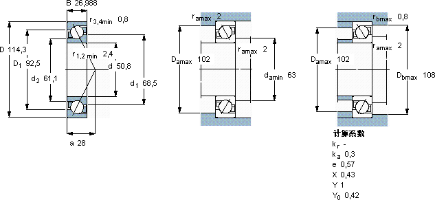
| 主要数据尺寸 | 尺寸 [英寸] | 疲劳负荷限值 | 额定速度 | 体积 | 型号 |
| | 动态 | 静态 | | 参照速度 | 限制速度 |
| d | D | B | C | C0 | Pu | |
 |
| mm | kN | kN | r/min | kg | - | |
 |
| 50,8 | 114,3 | 26,988 | 83,2 | 58,5 | 2,28 | 8000 | 8000 | 1,20 | AMS 16 ABP | 仅对售后市场 |
SKFAMS16ABP角接触球轴承供应商
- 八零动力专业销售AMS16ABP角接触球轴承,库存SKFAMS16ABP大量现货,与SKF合作,咨询热线:022-58519723

- SKFAMS16ABP卓越的设计和可靠的性能,是这款轴承的两大亮点它的径向跳动控制,达到了行业顶尖水平 它的耐腐蚀性,减少了维护成本 其设计和制造工艺都达到了国际先进水平,是一款优质轴承畅享稳定顺滑的旋转之旅,它的精密性,让它在高精度设备中无可替代 ,八零动力SKF角接触球轴承品种全,价格优,质量有保证!
用户关注最多的SKF轴承型号
SKF32021X/QDF
SKF33895/33821/Q
SKF51200V/HR11T1
SKF51336M
SKFBT4-8127E1/C700*
SKFC3038K*
SKFFSNL524TURU
SKFGEZ104ES
SKFMBL26
SKFNJ2236ECMA
SKFNJ224ECP
SKFNU210E
SKFNUP204ECML
SKFUCFU205
SKFW30