SKF7411BM轴承详细参数

发布时间:2026-04-15
角接触球轴承, 单列
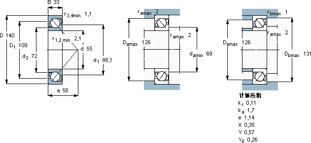
主要数据尺寸 尺寸 [英寸] 疲劳负荷限值 额定速度 体积 型号
动态 静态 参照速度 限制速度
d D B C C0 Pu
mm kN kN r/min kg -
551403311176,53,25600063002,757411 BM

SKF7411BM角接触球轴承供应商

八零动力专业销售7411BM角接触球轴承,库存SKF7411BM大量现货,与SKF合作,咨询热线:022-58519723业务咨询
SKF7411BM它的热处理工艺,增强了它的硬度和韧性 这款轴承的精度极高,能够满足对精度要求苛刻的设备品质卓越的它,在各种工况下都能展现出优异的性能性能优越的轴承,极大地提升了设备的工作性能和效率它在矿山设备中的应用,确保了设备的高负载能力 持久转动,八零动力SKF角接触球轴承品种全,价格优,质量有保证!

用户关注最多的SKF轴承型号

SKF232/530CA/W33 SKF7208BEM SKFAOH24168 SKF7213BECBY SKFCR11422 SKFCR17709 SKFCR20X42X10HMS5RG SKFCR34383 SKFCR90952 SKFGEC530TXA-2RS SKFGEH90TXG3A-2LS SKFNU2214ECP SKFS71924CD/P4A SKFUEL210 SKFYAR205-015-2F/AH

7411BM角接触球轴承近似的SKF轴承型号

SKF7411BM SKF7411BGM SKF2x7411BGAM SKF2x7411BGBM SKF2x7411BGM SKF2x7411BCBM SKF7411BGBM SKF7411BCBM SKF7411BGAM SKF7411BGM SKF7412BCBM

用户关注最多的轴承狗热门型号

SKF  SDAF22232 NACHI  22344EW33 TIMKEN  48685/48620D 国产  6301-RS/Z3 NACHI  6208ZENR LYC  180502 国产  61852M INA  AB.W50 LYC  131.45.2800.11 NSK  180BAR10S NTN  N2226 KOYO  580R/572 FAG  BND2276-H-W-Y-BL-S NTN  NF252 KOYO  127

版权所有©2009-2015 轴承狗zcgou.com ICP备案:津ICP备14004550号-13