SKF2x7411BGM轴承详细参数

发布时间:2026-04-26
角接触球轴承, 单列,用于配对安装, 面对面配对
主要数据尺寸 基本负荷额定值 疲劳负荷限值 额定速度 体积 型号 轴承配对
动态 静态 参照速度 限制速度
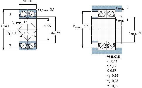
d D 2B C C0 Pu
mm kN kN r/min kg --
55140661781536,4500063005,502 × 7411 BGMDF

SKF2x7411BGM角接触球轴承供应商

八零动力专业销售2x7411BGM角接触球轴承,库存SKF2x7411BGM大量现货,与SKF合作,咨询热线:022-58519723业务咨询
SKF2x7411BGM制造工艺精湛,使得这款轴承的精度和稳定性都非常出色它在船舶工业中的应用,展现了它的耐腐蚀性 它的抗压强度,让它承载能力惊人 质量上乘的轴承,是提升机械设备性能的关键因素它的可回收性,体现了环保理念 它的抗剪切性能,确保了它的结构稳定性 ,八零动力SKF角接触球轴承品种全,价格优,质量有保证!

用户关注最多的SKF轴承型号

SKF16032/W64 SKF24156CC/W33 SKF61913-RS SKF71916CE/P4A SKF7234B/DT SKFCR22361 SKFCR32X45X8HMSA10V SKFCR62x90x11.13CRWH1R SKFCR8621 SKFCR86799 SKFCRMVR2-55 SKFHCRE030R SKFNUP313ECP* SKFPFT17TF SKFSY15TF

2x7411BGM角接触球轴承近似的SKF轴承型号

SKF7411BGAM SKF2x7411BGBM SKF7411BGM SKF2x7411BGAM SKF7411BM SKF2x7411BGM SKF7411BCBM SKF2x7411BCBM SKF7411BGBM SKF2x7411BGBM SKF2x7412BCBM

用户关注最多的轴承狗热门型号

SKF  51103V/HR11T1 FAG  BND2224-H-C-Y-BF-S SKF  AOH24168 LYC  LY-N013 KOYO  2308K SKF  62203-2RS1 NSK  7912A5TYNP5 STEYR  629 MAC  N426 SKF  98205 国产  K65*73*20 国产  6300-2RS KOYO  2213K+H313 KOYO  254FC160850 IKO  CF-SFU-10B

版权所有©2009-2015 轴承狗zcgou.com ICP备案:津ICP备14004550号-13