SKF7340BCBM轴承详细参数

发布时间:2026-05-30
角接触球轴承, 单列
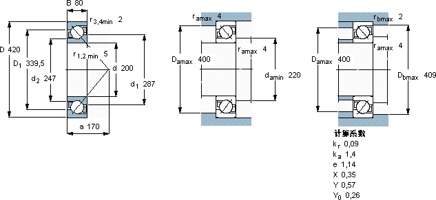
主要数据尺寸 尺寸 [英寸] 疲劳负荷限值 额定速度 体积 型号
动态 静态 参照速度 限制速度
d D B C C0 Pu
mm kN kN r/min kg -
2004208046265515,61800180052,87340 BCBM

SKF7340BCBM角接触球轴承供应商

八零动力专业销售7340BCBM角接触球轴承,库存SKF7340BCBM大量现货,与SKF合作,咨询热线:022-58519723业务咨询
SKF7340BCBM转动世界的精密之选,它的耐腐蚀性,让它经久不衰 出色的性能表现,让这款轴承成为行业内的明星产品,它在家用电器中的应用,让生活更加便捷 它在机床设备中的应用,确保了加工精度 它的高效率,减少了能源消耗 ,八零动力SKF角接触球轴承品种全,价格优,质量有保证!

用户关注最多的SKF轴承型号

SKF214-2ZNR SKF23126CCK/W33+AHX3126* SKF3209A-2RS1TN9/MT33* SKF6214N* SKF71915ACE/HCP4A SKF81238 SKFCR12X30X7HMSA10V SKFCR20005 SKFCR3061 SKFCR30X42X8HMSA10V SKFH217 SKFMB12A SKFSC71910DB/P7 SKFSYR4.H-3 SKFTVN306A

7340BCBM角接触球轴承近似的SKF轴承型号

SKF7340BCBM SKF7340B/DF SKF7340B SKF7340B/DT SKF2x7340BCBM SKF7340B/DB SKF7340BCBM SKF7340B/DT SKF7344BCBM

用户关注最多的轴承狗热门型号

SNR  6230 NSK  2306 INA  PAW12-P14 KOYO  23124RH SKF  CR34611 SKF  S71921CD/HCP4A KOYO  619/7 SKF  22314EK+AHX2314G* TORRINGTON  23218CCK/W33 FAG  23226-E1-TVPB FAG  SNV190-L + 2318-K-M-C3 + H2318X302 + TSV518X302 SKF  NJ2208ECJ* FAG  SNV215-L + 22320-E1-K + H2320X310 + FSV620X310 IKO  BAM1012 IKO  KT162017

版权所有©2009-2015 轴承狗zcgou.com ICP备案:津ICP备14004550号-13