SKF2x7340BCBM轴承详细参数

发布时间:2026-04-15
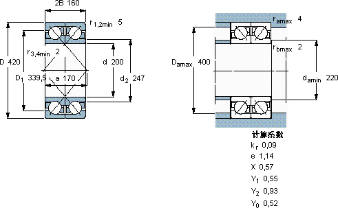
角接触球轴承, 单列,用于配对安装, 面对面配对
主要数据尺寸 基本负荷额定值 疲劳负荷限值 额定速度 体积 型号 轴承配对
动态 静态 参照速度 限制速度
d D 2B C C0 Pu
mm kN kN r/min kg --
200420160741129031140018001062 × 7340 BCBMDF

SKF2x7340BCBM角接触球轴承供应商

八零动力专业销售2x7340BCBM角接触球轴承,库存SKF2x7340BCBM大量现货,与SKF合作,咨询热线:022-58519723业务咨询
SKF2x7340BCBM它的径向跳动控制,达到了行业顶尖水平 它的品质卓越,为机械设备的高效、稳定运行保驾护航它的低摩擦设计,减少了能量损耗 为您创造更多可能,我们的轴承卓越的性能它的材质选择,体现了对品质的极致追求 ,八零动力SKF角接触球轴承品种全,价格优,质量有保证!

用户关注最多的SKF轴承型号

SKF1201ETN9 SKF22326CCK/W33 SKF240/710ECAK30/W33* SKF61801-2Z SKF6303-2Z* SKF7024C/DF SKF71908CD/P4A SKFCR1150550 SKFC3052K+AOH3052* SKFCR524940 SKFCR40X58X8HMSA10V SKFCR57578 SKFCR90773 SKFOH3268H SKFSAF22630x5.1/4

2x7340BCBM角接触球轴承近似的SKF轴承型号

SKF7340B/DT SKF7340BCBM SKF2x7340BCBM SKF7340B/DB SKF7340B/DF SKF7340B SKF7340BCBM SKF2x7338BCBM SKF2x7344BCBM

用户关注最多的轴承狗热门型号

FAG  BND2213-H-W-Y-BL-S GMN  7214AC/DB FAG  1201-TVH STEYR  NJ2306 GMN  7021AC/DB SKF  CR42X72X8HMSA10V INA  GE75-KTT-B TIMKEN  386A/384ED/X1S-386A SNR  6011 FAG  SNV100-L + 21309-E1-K + H309X109 + TCV609 FAG  SNV180-L + 1220-K-M-C3 + H220 + TSV520 RIV  N2224 INA  PASE60-N-FA125 INA  4107-AW IKO  LRXDC12

版权所有©2009-2015 轴承狗zcgou.com ICP备案:津ICP备14004550号-13