SKF7336BCBM轴承详细参数

发布时间:2026-04-15
角接触球轴承, 单列
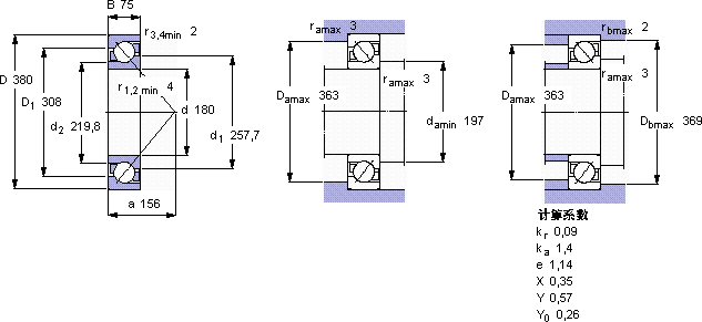
主要数据尺寸 尺寸 [英寸] 疲劳负荷限值 额定速度 体积 型号
动态 静态 参照速度 限制速度
d D B C C0 Pu
mm kN kN r/min kg -
1803807541054013,72000200040,07336 BCBM

SKF7336BCBM角接触球轴承供应商

八零动力专业销售7336BCBM角接触球轴承,库存SKF7336BCBM大量现货,与SKF合作,咨询热线:022-58519723业务咨询
SKF7336BCBM承载重托我们的轴承卓越的性能它的耐高温性能,让它在极端环境下依然稳定运行 质量上乘的轴承,为设备的高效稳定运行奠定了基础卓越的性能表现,让这款轴承在市场上脱颖而出从制造工艺到实际性能,这款轴承都表现得十分出色,,八零动力SKF角接触球轴承品种全,价格优,质量有保证!

用户关注最多的SKF轴承型号

SKF314190 SKF331907 SKF6007* SKF618/800MA SKF7218BECBM SKFBTM130A/HCP4CDBB SKFCR130X160X13CRSA1R SKFCR19306 SKFCR34338 SKFCR408003 SKFCR44X72X12CRSH11R SKFHE219 SKFNA4872 SKFNK73/25 SKFTU45TF

7336BCBM角接触球轴承近似的SKF轴承型号

SKF7336B SKF7336B/DT SKF2x7336BCBM SKF7336B/DF SKF7336BCBM SKF7336BCBM SKF7336B/DB SKF7336B/DT SKF7338B

用户关注最多的轴承狗热门型号

FYH  UC212 INA  GE50-UK-2RS SKF  CR75x120x13CRSA1R FAG  231SM260-MA STEYR  7300B/DT NTN  32209 TIMKEN  SDAF23156K NSK  F636 SKF  32040 SNR  7040AC LYC  BFCDP 138196715/02 STEYR  53336 INA  GIL15-UK IKO  KT61013 IKO  LRB121612

版权所有©2009-2015 轴承狗zcgou.com ICP备案:津ICP备14004550号-13