SKF53203轴承详细参数

发布时间:2026-05-30
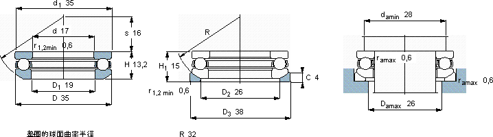
推力球轴承, 单向,带球面轴承座垫圈
主要数据尺寸 基本负荷额定值 疲劳负荷限值 最小负荷系数 额定速度 体积 型号
动态 静态 参照速度 限制速度 轴承 +垫圈 轴承 基座垫圈
d D H1 C C0 Pu A
mm kN kN - r/min kg -
17351517,2301,10,0047670095000,07153203U 203

SKF53203推力球轴承供应商

八零动力专业销售53203推力球轴承,库存SKF53203大量现货,与SKF合作,咨询热线:022-58519723业务咨询
SKF53203是您成功路上的得力助手,它的轴向游隙控制,精准到令人惊叹 它的润滑技术,减少了摩擦和磨损 先进的生产工艺,打造出了这款性能卓越的轴承它在建筑机械中的应用,确保了设备的可靠性 它的制造工艺,堪称工业艺术的典范 ,八零动力SKF推力球轴承品种全,价格优,质量有保证!

用户关注最多的SKF轴承型号

SKF16072 SKF23276CAK/W33+AOH3276G* SKF52315 SKF6021-RS1* SKF7002C/DF SKF7302B/DF SKFC3144K+OH3144HTL* SKFCR23286 SKFCR250X280X15HMS5V SKFCR30X52X8HMSA10RG SKFGEZM204ES-2RS SKFKMK12 SKFNNU4880/W33 SKFSIR70ES SKFYAR207-106-2RF/HV

53203推力球轴承近似的SKF轴承型号

SKF53203 SKF53203U SKF53202U SKF53203U

用户关注最多的轴承狗热门型号

LYC  6011 C3 TIMKEN  5079/05185-S SKF  SAL17C FAG  BND3230-H-C-Y-BF-S ASAHI  UCFU307 SKF  22334CCJA/W33VA405 SKF  C2212KV+H312* TIMKEN  GC1104KRRB LYC  381080 INA  PAP200100-P14 国产  6314-2Z/Z3 TIMKEN  24080YMB RIV  N2204 INA  K20X26X17 IKO  TAM2930

版权所有©2009-2015 轴承狗zcgou.com ICP备案:津ICP备14004550号-13