SKF7302BEP轴承详细参数

发布时间:2026-04-15
角接触球轴承, 单列
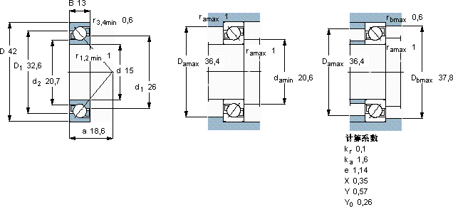
主要数据尺寸 尺寸 [英寸] 疲劳负荷限值 额定速度 体积 型号
动态 静态 参照速度 限制速度
d D B C C0 Pu
mm kN kN r/min kg -
154213136,70,2820000200000,0817302 BEP

SKF7302BEP角接触球轴承供应商

八零动力专业销售7302BEP角接触球轴承,库存SKF7302BEP大量现货,与SKF合作,咨询热线:022-58519723业务咨询
SKF7302BEP质量上乘的轴承,是提升机械设备性能的关键因素卓越的性能表现,使这款轴承在市场上拥有良好的口碑它的旋转精度,让高速运转成为现实 机械的心脏就是选择高效与可靠它在机器人领域的应用,展现了它的高精密性 ,八零动力SKF角接触球轴承品种全,价格优,质量有保证!

用户关注最多的SKF轴承型号

SKF22208EK+H308* SKF23092CAK/W33+AOHX3092G* SKF316353DC SKF456 SKF7044CD/P4A SKF7338B SKFBK0912 SKFCR11172 SKFCR12551 SKFCR28X35X4HM4R SKFCR3626 SKFHE2319 SKFNA4903.2RS SKFNCF29/530V SKFSYR1.1/2NH

7302BEP角接触球轴承近似的SKF轴承型号

SKF2x7302BECBP SKF7302BEP SKF7302B SKF7302B/DB SKF7302BEP SKF7302B/DT SKF7302BECBP SKF7302B/DF SKF7302BECBP SKF7302BECBP SKF7303B

用户关注最多的轴承狗热门型号

SKF  22328CCJA/W33VA405 LYC  N 240 EM/YB NSK  35BNR29HV1V NTN  NJ2230E DKF  7336AC/DB TIMKEN  5562/5535 NACHI  NUP206EG FAG  SNV170-L + 2219-K-M-C3 + H319X306 + DHV519 国产  572/710 RHP  51116 INA  ZSL192306 KOYO  7002AC/DB LYC  NN 3010 K/P6 LYC  N 219 M NACHI  29426EX

版权所有©2009-2015 轴承狗zcgou.com ICP备案:津ICP备14004550号-13