SKF7302BECBP轴承详细参数

发布时间:2026-04-15
角接触球轴承, 单列
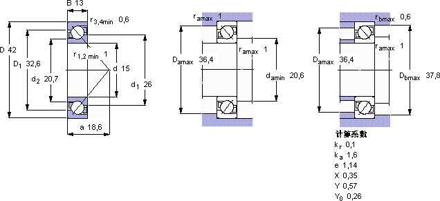
主要数据尺寸 尺寸 [英寸] 疲劳负荷限值 额定速度 体积 型号
动态 静态 参照速度 限制速度
d D B C C0 Pu
mm kN kN r/min kg -
154213136,70,2820000200000,0817302 BECBP

SKF7302BECBP角接触球轴承供应商

八零动力专业销售7302BECBP角接触球轴承,库存SKF7302BECBP大量现货,与SKF合作,咨询热线:022-58519723业务咨询
SKF7302BECBP引领行业速度,我们的轴承始终稳如磐石它的轴向游隙控制,精准到令人惊叹 引领转动新潮流,卓越的性能和可靠的质量,让这款轴承成为市场的宠儿坚固耐用它在农业机械中的应用,展现了它的耐用性 ,八零动力SKF角接触球轴承品种全,价格优,质量有保证!

用户关注最多的SKF轴承型号

SKF16018* SKF22228CC/W33* SKF6001-RSH* SKF89316TN SKFAS150190 SKFBFDB350824B/HA1 SKFCR1094110 SKFCR22358 SKFGEZ312TXE-2LS SKFKMT34 SKFN060 SKFNU1017ML SKFSY2.15/16TF SKFW608-2RS1 SKFZW65x72

7302BECBP角接触球轴承近似的SKF轴承型号

SKF7302B/DB SKF7302B/DT SKF7302B/DF SKF7302BECBP SKF7302B SKF7302BECBP SKF7302BEP SKF2x7302BECBP SKF7302BEP SKF7302BEP SKF7302BEP

用户关注最多的轴承狗热门型号

NTN  7207C/DF FAG  SNV240-L + 2322-K-M-C3 + H2322 + DH522 NTN  NU240 LYC  619/500 INA  RWS1808-75/x75/x6 SKF  CR57X67X7HMSA10RG LYC  7397/3900 INA  APLE30-OE SKF  W6306-2Z FAG  BND3036-Z-Y-BF-S TIMKEN  300RT02 SKF  NK21/16 TIMKEN  *T911FS -T911S FAG  SNV200-L + 222S.315 + TSV522 INA  LTE30-Tr20x4-B

版权所有©2009-2015 轴承狗zcgou.com ICP备案:津ICP备14004550号-13