SKF7232BCBM轴承详细参数

发布时间:2026-04-15
角接触球轴承, 单列
主要数据尺寸 尺寸 [英寸] 疲劳负荷限值 额定速度 体积 型号
动态 静态 参照速度 限制速度
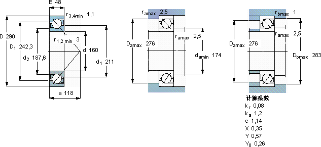
d D B C C0 Pu
mm kN kN r/min kg -
160290482553008,52400260013,67232 BCBM

SKF7232BCBM角接触球轴承供应商

八零动力专业销售7232BCBM角接触球轴承,库存SKF7232BCBM大量现货,与SKF合作,咨询热线:022-58519723业务咨询
SKF7232BCBM以卓越品质该轴承的性能卓越,完全满足了各种严苛工况的需求它的品质卓越,是提升机械设备整体性能的关键所在它在机床设备中的应用,确保了加工精度 坚固耐用它的高效率,减少了能源消耗 ,八零动力SKF角接触球轴承品种全,价格优,质量有保证!

用户关注最多的SKF轴承型号

SKF4200ATN9 SKF6307/VA201 SKF71802ACD/HCP4 SKF7313BEGBY SKF81114TN SKFBTM60B/P4CDBB SKFCR21736 SKFCR48x80x8CRW1R SKFCR520x560x20HDS1R1 SKFFY1.3/16TF/AH SKFFY50FM SKFHMV38E SKFNNUD60/750M SKFOKF580 SKFSYM2.3/16TF

7232BCBM角接触球轴承近似的SKF轴承型号

SKF7232C/DF SKF7232C/DT SKF7232BCBM SKF7232AC/DB SKF7232B/DT SKF7232C SKF2x7232BCBM SKF7232B SKF7232AC/DT SKF7232AC/DF SKF7232C/DT SKF7234AC

用户关注最多的轴承狗热门型号

FAG  SNV160-L + 1315-K-M-C3 + H315X207 + DHV615X207 国产  LB13-OPA SKF  KMT48 MRC  71914C/DF SKF  7013ACE/HCP4A INA  PAP16080-P10 BARDEN  7011C/DF LYC  33113 LYC  6001 E SKF  2x7316BEGAP* LYC  22318 CA/C4W33 NACHI  NJ216E LYC  NUP 316 EF1 SKF  CR28305 国产  NU203M

版权所有©2009-2015 轴承狗zcgou.com ICP备案:津ICP备14004550号-13